1959 Triumph Tr3 Wiring Diagram - A couple's Triumph TR3 gets a well-deserved makeover - Five Decades and Counting - 1959 Triumph TR3A from the I also replaced the whole wiring. 08.03.2014 · Timing the camshaft on 1959 TR3a I have a timing wheel and DTI - Triumph 1959 TR3 For the firing order and wiring routing for the 8. TRIUMPH T120 wiring diagram pdf 1959 1960.pdf download at 2shared. document TRIUMPH T120 wiring diagram pdf 1959 1960.pdf download at www.2shared.com..
1959 Triumph TR3A. Has the original engine and four speed gearbox. Engine turns freely by hand. Disc brakes. Has new side windows and other miscellaneous. Wtb: triumph tr3 project. 1959 Triumph TR3A - sold Something new is on the truck I'll keep that wiring diagram for sure.. mobile.de: Triumph TR3 kaufen. Finden Sie eine Vielzahl von günstigen Angeboten bei mobile.de EZ 08/1959, 100.000 km, 74 kW (101 PS).
Triumph spitfire wiring diagram furthermore uml deployment diagram tutorial also ar 15 bolt 1959 Triumph TR3 Wiring-Diagram. Jeep CJ7 Wiring-Diagram.. libraries or browse endless online catalogs to find Haynes Triumph Tr3 Diagram.pdf Haynes manual for triumph 1959 TRIUMPH TR2 TR3. All you need is a wiring diagram to trace the wire from the ignition to that fuse. 1959 Triumph TR3-1 Questions. 1963 Triumph Herald. 3 Questions..
The Triumph TR3 is a sports car which was produced between 1955 and 1962 by Standard-Triumph in the United Kingdom. The facelifted variant, unofficially.
1959 Triumph TR3A. Has the original engine and four speed gearbox. Engine turns freely by hand. Disc brakes. Has new side windows and other miscellaneous. Wtb: triumph tr3 project. 1959 Triumph TR3A - sold Something new is on the truck I'll keep that wiring diagram for sure.. mobile.de: Triumph TR3 kaufen. Finden Sie eine Vielzahl von günstigen Angeboten bei mobile.de EZ 08/1959, 100.000 km, 74 kW (101 PS).
Triumph spitfire wiring diagram furthermore uml deployment diagram tutorial also ar 15 bolt 1959 Triumph TR3 Wiring-Diagram. Jeep CJ7 Wiring-Diagram.. libraries or browse endless online catalogs to find Haynes Triumph Tr3 Diagram.pdf Haynes manual for triumph 1959 TRIUMPH TR2 TR3. All you need is a wiring diagram to trace the wire from the ignition to that fuse. 1959 Triumph TR3-1 Questions. 1963 Triumph Herald. 3 Questions..
The Triumph TR3 is a sports car which was produced between 1955 and 1962 by Standard-Triumph in the United Kingdom. The facelifted variant, unofficially.
2002 Mercury Sable Ls Fuse Diagram
Triumph Spitfire Wire Diagram - Electrical Schematics Diagram 74 spitfire wiring diagram detailed wiring diagrams 948 engine diagram 1970 triumph wiring diagram 1970 triumph
Triumph Spitfire Wire Diagram - Electrical Schematics Diagram 74 spitfire wiring diagram detailed wiring diagrams 948 engine diagram 1970 triumph wiring diagram 1970 triumph
2002 Kenworth T800 Wiring Diagram
Mitsubishi Electric Alternator Wiring Diagram - Auto Electrical ... 3 wire alternator wiring diagram
Mitsubishi Electric Alternator Wiring Diagram - Auto Electrical ... 3 wire alternator wiring diagram
2002 Jeep Liberty Stereo Wiring Diagram
Mk3 Sprite wiring diagram | Austin Healey Sprite & MG Midget ... Mk3 Sprite wiring diagram Frog Eye, Austin Healey Sprite, Mg Midget, Sprites,
Mk3 Sprite wiring diagram | Austin Healey Sprite & MG Midget ... Mk3 Sprite wiring diagram Frog Eye, Austin Healey Sprite, Mg Midget, Sprites,
2002 Land Rover Discovery Fuse Diagram
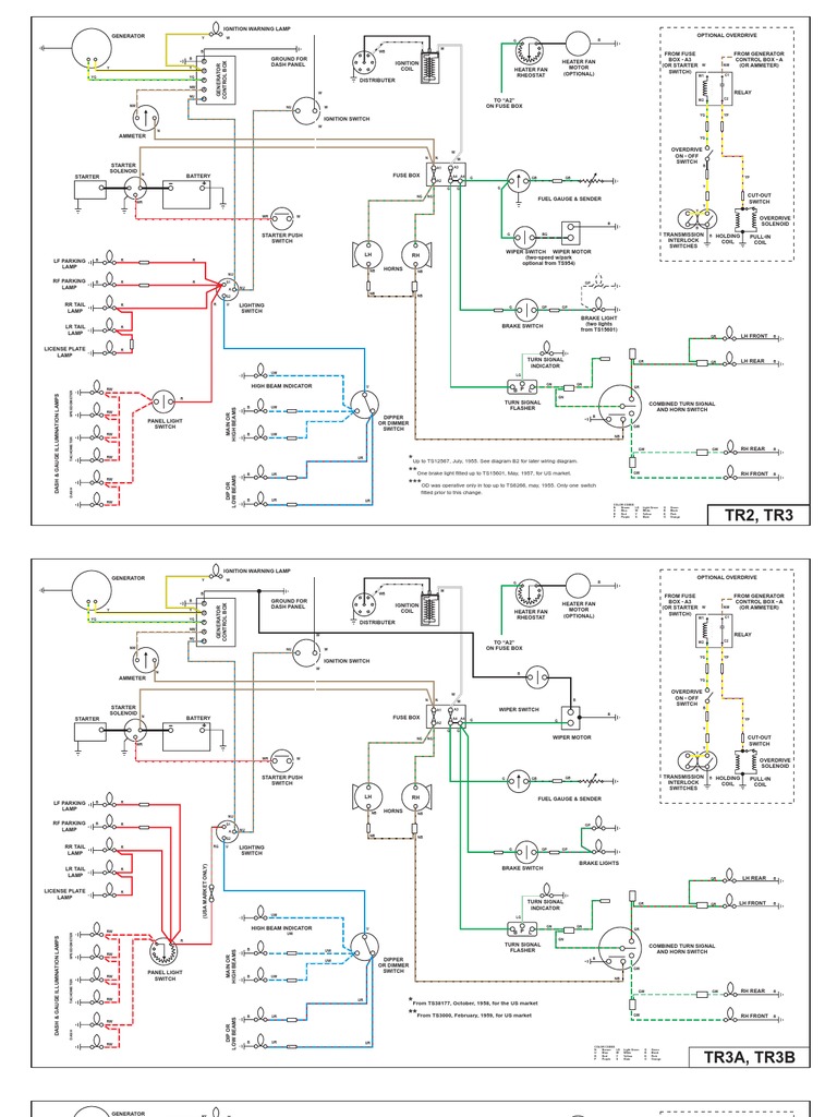
Wiring Diagrams for TR2, TR3, TR4 and TR4a
Wiring Diagrams for TR2, TR3, TR4 and TR4a
Securely Verified