1989 Suzuki Swift Gti Shop Service Repair Manuals - Aug 02, 2011 · Download 1989 SUZUKI SWIFT GTI SERVICE REPAIR MANUAL – INSTANT DOWNLOAD!. COVERS ALL MODELS & ALL REPAIRS A-Z. Buy and Download Complete repair manual / service manual for 1989 Suzuki Swift GTi. It covers every single detail. This package covers all the service and repair information about 1989-1994 Suzuki Swift Gti. You will surely enjoy browsing through the pages and learning how to repair the different parts of your. Download Suzuki Swift GTi 1989-2004 Workshop Manual Download. FAQ: Why should I purchase this Service Repair Workshop Manual? This manual is an easy layout format that covers all repair procedures in great detail. This manual will help you better understand all the parts & repair.
1989 Suzuki Swift 1300 GTi Repair Shop Manual Original. click on thumbnail to zoom. Condition Qty Price ; Very Good $ 179.00 USD: Repair manuals are also called shop manuals, maintenance manuals, service manuals, or technical information manuals. Reviews. Be the first to submit a. Jan 30, 2013 · Original Factory 1989 Suzuki Swift 1300 GTI Service Repair Manual is a Complete Informational Book. This Service Manual has easy-to-read text sections with top quality diagrams and instructions. Trust 1989 Suzuki Swift 1300 GTI Service Repair Manual will give you everything you need to. Next story Service Manual SUZUKI SWIFT GTI 1989-2004 Repair Manual; Previous story Service Manual Suzuki Swift GTI 1989-1994 Repair Manual.
Mar 18, 2020 · The Workshop Manual Store. Skip to content. repair; Download Suzuki Swift SF310 SF413 1989-2000 Full Service Repair. March 18, 2020 Cars Suzuki Swift No Comments. MARUTI Suzuki SWIFT timing belt Replacement tool kit for minor works https://goo.gl/iTxpjE big tool kit for major works https://goo.gl/kooVHj TRUELY DESI STYLE WITH PROFESSIONAL. Jun 12, 2017 · Suzuki Swift Gti 1989-1995 - repair, maintenance and operation of the vehicle. The book contains specifications, description of repair of individual units, sections on finding and resolving malfunctions, and recommendations on maintenance of car Swift Gti 1989-1995.. Suzuki Swift 1.3GTi 1986-1989 G13B 1298ccm 74kw Car Repair Manual.
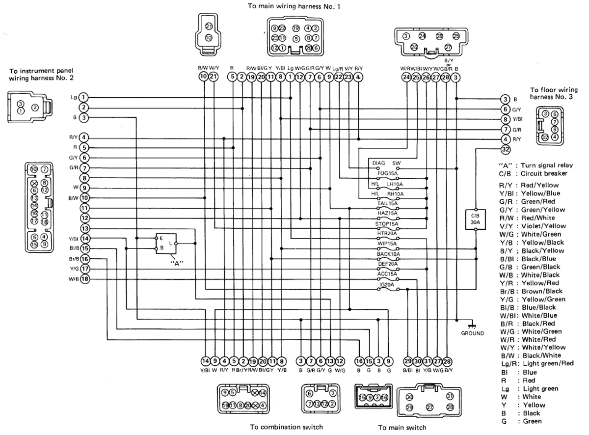
Purpose of this is to catalog and include a comprehensive, relevant and accessible database for your Suzuki Swift. To get started, select the appropriate high-quality original PDF “fix-it” manual for your Swift, to get the problem sorted right away Suzuki Sierra Sj410 Sj410v Sj410k Sj40 Workshop Manual Suzuki Swift 1987-1991 Factory Service Repair Manual PDF. 2005 SUZUKI SWIFT All Workshop Service Repair Manual suzuki swift gti mk2 1989-1992 service repair service manual engine covered: 1.3l g engine contents: general information maintenance and lubrication heater and ventilation air conditioning steering suspension wheels and tires front end alignment manual rack and pinion steering wheel. Suzuki Swift 1989 1999 Misc Documents Wiring Diagrams PDF. This webpage contains Suzuki Swift 1989 1999 Misc Documents Wiring Diagrams PDF used by Suzuki garages, auto repair shops, Suzuki dealerships and home mechanics. With this Suzuki Swift Workshop manual, you can perform every job that could be done by Suzuki garages and mechanics from:.
Download DIY service repair manual for 2006-2010 Suzuki Grand Vitara Jb416 Jb419 Jb420 Jb627. Highly detailed with complete instructions and illustrations, wiring and diagrams to service your machine.Dwonload Service Repair Manual for Suzuki Grand Vitara Jb416 Jb419 Jb420 Jb627 2006. Sep 28, 2013 · SUZUKI SWIFT SERVICE REPAIR MANUAL 2005-2009 SUZUKI SWIFT 95-01 WORKSHOP REPAIR MANUAL DOWNLOAD SUZUKI SWIFT 05-09 WORKSHOP REPAIR MANUAL DOWNLOAD 1989 Suzuki Swift GTi WorkShop Service Repair.
1989 Suzuki Swift 1300 GTi Repair Shop Manual Original. click on thumbnail to zoom. Condition Qty Price ; Very Good $ 179.00 USD: Repair manuals are also called shop manuals, maintenance manuals, service manuals, or technical information manuals. Reviews. Be the first to submit a. Jan 30, 2013 · Original Factory 1989 Suzuki Swift 1300 GTI Service Repair Manual is a Complete Informational Book. This Service Manual has easy-to-read text sections with top quality diagrams and instructions. Trust 1989 Suzuki Swift 1300 GTI Service Repair Manual will give you everything you need to. Next story Service Manual SUZUKI SWIFT GTI 1989-2004 Repair Manual; Previous story Service Manual Suzuki Swift GTI 1989-1994 Repair Manual.
Mar 18, 2020 · The Workshop Manual Store. Skip to content. repair; Download Suzuki Swift SF310 SF413 1989-2000 Full Service Repair. March 18, 2020 Cars Suzuki Swift No Comments. MARUTI Suzuki SWIFT timing belt Replacement tool kit for minor works https://goo.gl/iTxpjE big tool kit for major works https://goo.gl/kooVHj TRUELY DESI STYLE WITH PROFESSIONAL. Jun 12, 2017 · Suzuki Swift Gti 1989-1995 - repair, maintenance and operation of the vehicle. The book contains specifications, description of repair of individual units, sections on finding and resolving malfunctions, and recommendations on maintenance of car Swift Gti 1989-1995.. Suzuki Swift 1.3GTi 1986-1989 G13B 1298ccm 74kw Car Repair Manual.
Purpose of this is to catalog and include a comprehensive, relevant and accessible database for your Suzuki Swift. To get started, select the appropriate high-quality original PDF “fix-it” manual for your Swift, to get the problem sorted right away Suzuki Sierra Sj410 Sj410v Sj410k Sj40 Workshop Manual Suzuki Swift 1987-1991 Factory Service Repair Manual PDF. 2005 SUZUKI SWIFT All Workshop Service Repair Manual suzuki swift gti mk2 1989-1992 service repair service manual engine covered: 1.3l g engine contents: general information maintenance and lubrication heater and ventilation air conditioning steering suspension wheels and tires front end alignment manual rack and pinion steering wheel. Suzuki Swift 1989 1999 Misc Documents Wiring Diagrams PDF. This webpage contains Suzuki Swift 1989 1999 Misc Documents Wiring Diagrams PDF used by Suzuki garages, auto repair shops, Suzuki dealerships and home mechanics. With this Suzuki Swift Workshop manual, you can perform every job that could be done by Suzuki garages and mechanics from:.
Download DIY service repair manual for 2006-2010 Suzuki Grand Vitara Jb416 Jb419 Jb420 Jb627. Highly detailed with complete instructions and illustrations, wiring and diagrams to service your machine.Dwonload Service Repair Manual for Suzuki Grand Vitara Jb416 Jb419 Jb420 Jb627 2006. Sep 28, 2013 · SUZUKI SWIFT SERVICE REPAIR MANUAL 2005-2009 SUZUKI SWIFT 95-01 WORKSHOP REPAIR MANUAL DOWNLOAD SUZUKI SWIFT 05-09 WORKSHOP REPAIR MANUAL DOWNLOAD 1989 Suzuki Swift GTi WorkShop Service Repair.
2006 Chevrolet 2500hd Trailer Wiring Diagram
1988 1989 SUZUKI SWIFT GTI SHOP Service Repair Manual
1988 1989 SUZUKI SWIFT GTI SHOP Service Repair Manual
2005 Volvo Xc90 Fuse Diagram
1989 Suzuki Swift 1300 GTi Repair Shop Manual Original Suzuki Books ... 1989 Suzuki Swift 1300 GTi Repair Shop Manual Original Suzuki Books
1989 Suzuki Swift 1300 GTi Repair Shop Manual Original Suzuki Books ... 1989 Suzuki Swift 1300 GTi Repair Shop Manual Original Suzuki Books
2006 Audi A4 Sway Bar Bracket Manual
2004 2008 Suzuki Swift Sport Workshop Repair Service Manuals | 2019 ... *WORKSHOP MANUAL SERVICE & REPAIR GUIDE for SUZUKI SWIFT II 2005-2010 +WIRING
2004 2008 Suzuki Swift Sport Workshop Repair Service Manuals | 2019 ... *WORKSHOP MANUAL SERVICE & REPAIR GUIDE for SUZUKI SWIFT II 2005-2010 +WIRING
2005 Toyota Tundra Radio Wiring Diagram
Suzuki Swift GTI 1.3l DOHC 1989 - 1994 Workshop Service Repair ... ... Norton Secured - powered by Verisign
Suzuki Swift GTI 1.3l DOHC 1989 - 1994 Workshop Service Repair ... ... Norton Secured - powered by Verisign
Securely Verified