2010 Prius Obd Ii Wiring Diagram - 17.09.2009 · 2010 Maintenance Manual, Vol II review. 2010 PRIUS Electrical Wiring Diagram I'll probably buy the three technical volumes but without an OBD. 2010 Prius Obd Ii Locations ~ here you are at our site, this is images about 2010 prius obd ii locations posted by Brenda Botha in Diagram category on Oct. Diagrams Dtc Electrical Diagram Error Codes Fuse Panel Obd Ii Codes We offer both one-year and five-year subscriptions for our 2010 Prius manual..
27.02.2017 · $85 In-Dash Car Navigation, Bluetooth, OBD-II Controller Mod - Duration: 2010 Toyota Prius - Duration: 15:01. Shane Earley 41,180 views.. This book is dedicated to helping the do it yourself home and independent technician understand and use OBD-II Wiring Diagram. Prius 2010 ? 2 years. Obdii port location as well as 4mfc6 mazda mx 5 miata 02 miata mx5 check engine also vw beetle obd ii port location along with obd2 plug wiring diagram.
Obd Ii Wiring Diagram 2010 Silverado Furthermore General Motors Gm Obd Ii Diagnostic Interface Pinout Further Along With Wire The Obd2 Connector To An. Workshop and Repair manuals, Service & Owner's manual. Wiring Diagrams, Spare Parts Catalogue, Fault codes free download. Microsoft Access Wire Diagram Microsoft Camera Wiring Diagram Microsoft Ps 2 Mouse Wiring-diagram Microsoft Store Wiring-diagram Microsoft OBD 1 Serial.
Torque Diagnostic Display on a Toyota Prius Using An ELM327 Adapter. OBD-II Automotive the OBD II port on a second-generation Prius.
27.02.2017 · $85 In-Dash Car Navigation, Bluetooth, OBD-II Controller Mod - Duration: 2010 Toyota Prius - Duration: 15:01. Shane Earley 41,180 views.. This book is dedicated to helping the do it yourself home and independent technician understand and use OBD-II Wiring Diagram. Prius 2010 ? 2 years. Obdii port location as well as 4mfc6 mazda mx 5 miata 02 miata mx5 check engine also vw beetle obd ii port location along with obd2 plug wiring diagram.
Obd Ii Wiring Diagram 2010 Silverado Furthermore General Motors Gm Obd Ii Diagnostic Interface Pinout Further Along With Wire The Obd2 Connector To An. Workshop and Repair manuals, Service & Owner's manual. Wiring Diagrams, Spare Parts Catalogue, Fault codes free download. Microsoft Access Wire Diagram Microsoft Camera Wiring Diagram Microsoft Ps 2 Mouse Wiring-diagram Microsoft Store Wiring-diagram Microsoft OBD 1 Serial.
Torque Diagnostic Display on a Toyota Prius Using An ELM327 Adapter. OBD-II Automotive the OBD II port on a second-generation Prius.
Achieva 1993 Fuse Box Diagram
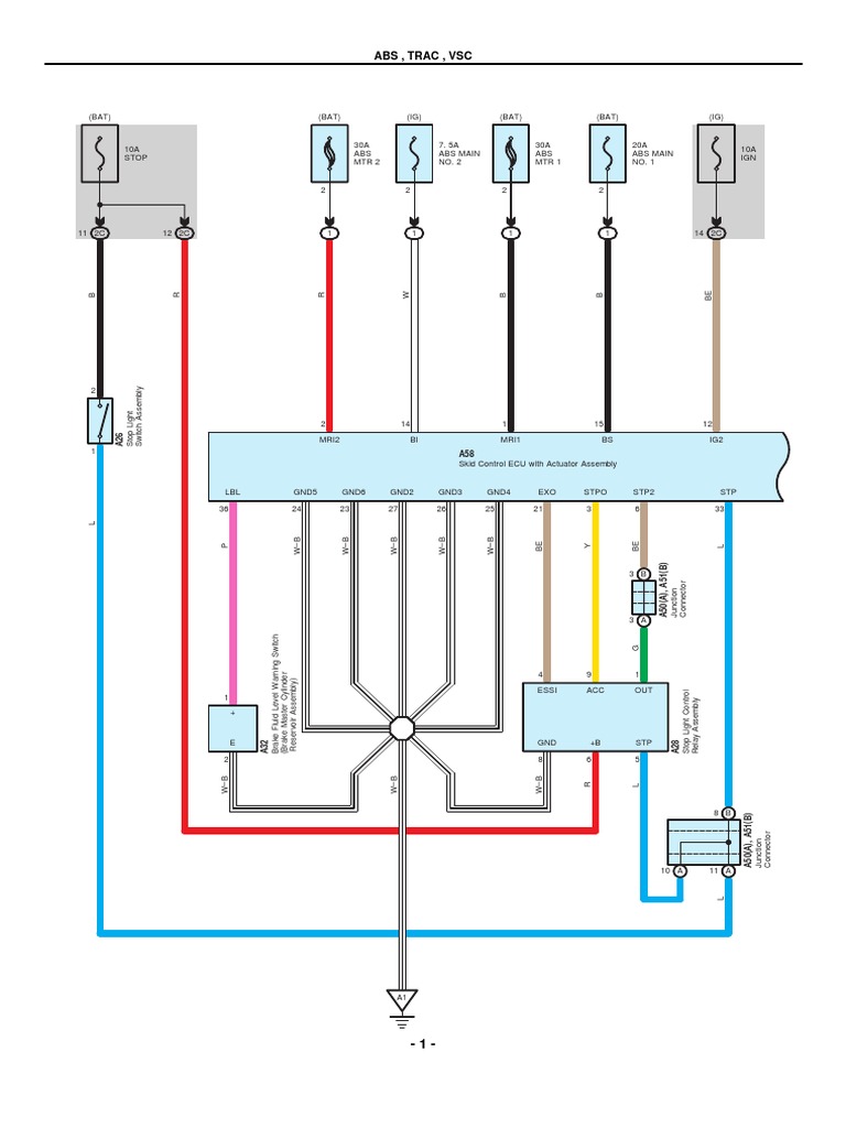
2010-Toyota-Prius-Electrical-Wiring-Diagrams.pdf
2010-Toyota-Prius-Electrical-Wiring-Diagrams.pdf
Avalanche 2009 Fuse Box Diagram
Prius 3 new Android head unit | PriusChat And eventually, out of curiosity, could you please tell me why the existing Prius antenna ...
Prius 3 new Android head unit | PriusChat And eventually, out of curiosity, could you please tell me why the existing Prius antenna ...
Cadenza 2018 Fuse Box Diagram
Android 8.0 GPS Navigation Radio DVD Player Bluetooth Stereo for ... ... Android 8.0 8 inch 2009-2013 Toyota Prius(RHD) GPS Navigation Radio DVD ...
Android 8.0 GPS Navigation Radio DVD Player Bluetooth Stereo for ... ... Android 8.0 8 inch 2009-2013 Toyota Prius(RHD) GPS Navigation Radio DVD ...
C3 2016 Ed01 Fuse Box Diagram
4th Gen LT1 F-Body Tech Aids Power Seat Schematic-Camaro
4th Gen LT1 F-Body Tech Aids Power Seat Schematic-Camaro
Securely Verified