2010 Toyota Tundra 4 Door Wiring Diagram - Aug 20, 2013 · Checked the wiring and I have voltage at the plug for lock/unlock called the dealer and they said it wasn't under warranty. Page 2 - Toyota FJ Cruiser Forum Mabuchi Door Lock Actuator Motor FC-280PT-22125 Show Full Signature. 2007 DC, SR5, 5.7L 4x4 Slate. Reactions: Dixon Cider, Joe.Xray 2010 tundra crew max trd package 20" BBS with. Connector, wiring harness. Cnd, electrical, mtm. Toyota Tundra. Genuine Toyota Part - 8282422060 (82824-22060). 2016 Toyota Rav4 Wiring Harness Diagram Toyota Auto There are quite a few suggestions to bear in mind ahead of you buy a new vehicle. In this article we look at issues to consider when buying a car and specially exactly what to look at when buying a used car as these generally occur while not the warranties and ensures of a new auto..
Toyota Tundra owners have reported 21 problems related to wiring (under the electrical system category). The most recently reported issues are listed below. Also please check out the statistics and reliability analysis of Toyota Tundra based on all problems reported for the Tundra.. 2007 acura tl driver door wiring diagram is among the most pics we located on the internet from reputable sources. We choose to discuss this 2007 acura tl driver door wiring diagram pic on this page just because according to information coming from Google engine, It really is one of the top searches key word on the internet.. Headlights saturn ion wiring diagrams moreover s i2 wp ww2 justanswer uploads tracker40 2012 03 03 230017 1 gif resize\u003d665 2c469\u0026ssl\u003d1 together withrepairs willcoxcorvette wp content uploads 2013 08 1963 1964 corvette neutral safety switch adjustment furtheri0 wp britishpanto org wp content uploads diagrams16672249 dodge ram wiring harness diagram ecm radio 1500 remarkable.
Focusing on a full catalog of wiring switch relay on sale. We feature an exhaustive array of items available for sale at an array of sticker prices. Find wiring switch relay online!.
Toyota Tundra owners have reported 21 problems related to wiring (under the electrical system category). The most recently reported issues are listed below. Also please check out the statistics and reliability analysis of Toyota Tundra based on all problems reported for the Tundra.. 2007 acura tl driver door wiring diagram is among the most pics we located on the internet from reputable sources. We choose to discuss this 2007 acura tl driver door wiring diagram pic on this page just because according to information coming from Google engine, It really is one of the top searches key word on the internet.. Headlights saturn ion wiring diagrams moreover s i2 wp ww2 justanswer uploads tracker40 2012 03 03 230017 1 gif resize\u003d665 2c469\u0026ssl\u003d1 together withrepairs willcoxcorvette wp content uploads 2013 08 1963 1964 corvette neutral safety switch adjustment furtheri0 wp britishpanto org wp content uploads diagrams16672249 dodge ram wiring harness diagram ecm radio 1500 remarkable.
Focusing on a full catalog of wiring switch relay on sale. We feature an exhaustive array of items available for sale at an array of sticker prices. Find wiring switch relay online!.
Pioneer Deh 3300ub Wiring Diagram
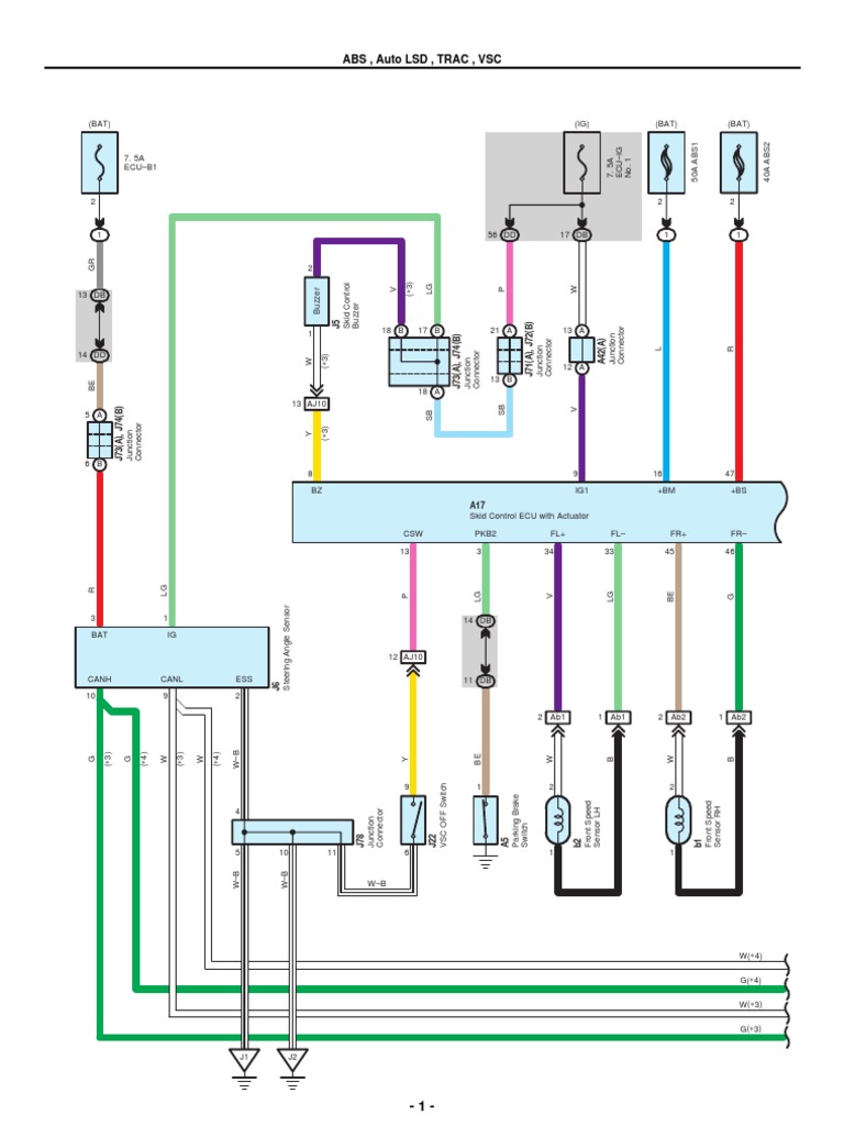
2007-2010 Toyota Tundra Electrical Wiring Diagrams | Anti ...
2007-2010 Toyota Tundra Electrical Wiring Diagrams | Anti ...
Pioneer Deh X3500ui Wiring Diagram
Repair Guides
Repair Guides
Pioneer Pd M502 Owners Manual Pdf
Positive and negative speaker wire | Toyota Tundra Forum
Positive and negative speaker wire | Toyota Tundra Forum
Pioneer Deh X3600ui Wiring Diagram
Repair Guides
Repair Guides
Securely Verified