3 Phase Wiring Diagram Heater Accu Therm - Three-Phase Wiring Diagrams ALWAYS USE WIRING DIAGRAM SUPPLIED ON MOTOR NAMEPLATE - colored leads are only applicable on the NEW ROLLED STEEL motor lines -. 3-Phase Wye & Delta Wiring Diagrams and Equations. Our Products. CATALYTIC HEATERS. ENCLOSURE HEATERS; LINE HEATERS; MICRO-LINE HEATERS; WIRE. accessory electric heaters wiring diagrams figure field --- installed heater model label (3) heater va: 5.1 for 3 phase wiring 1. use copper wire.
Three Phase Motor Power & Control Wiring Diagrams 3-Phase Motor Power & Control Wiring Diagrams Three Phase Motor Connection Schematic, Power and Control. And in Article " Electrical Wiring Diagrams for Air Wiring Diagrams For Air Conditioning Systems, Three Phase - Electrical Wiring Diagram:. 12.08.2010 · This short video shows the wiring for our home water heater. It shows some paper (assumably a label on the wires) nearly burned, and significant.
CRANKCASE HEATER CRANKCASE HEATER SWITCH The Phase Rotation Monitor will not allow the contactor to be Wiring Diagram — Model size 3 -- 5 tons,. Learn the basics of adding a 240-volt baseboard heater, including circuit requirements, thermostat options, and heater installation and wiring.. Wiring Diagrams ww introduction This booklet has been prepared as a guide to some (For 2 Phase, 3 Wire, L2 and T2 are common) Sgl. Phase Lines.
Most US commercial buildings use a 3 Phase 4 Wire 208Y/120V power (Water Heaters, etc.) powered using any of (3) Automation Controls • OEM Panels..
Three Phase Motor Power & Control Wiring Diagrams 3-Phase Motor Power & Control Wiring Diagrams Three Phase Motor Connection Schematic, Power and Control. And in Article " Electrical Wiring Diagrams for Air Wiring Diagrams For Air Conditioning Systems, Three Phase - Electrical Wiring Diagram:. 12.08.2010 · This short video shows the wiring for our home water heater. It shows some paper (assumably a label on the wires) nearly burned, and significant.
CRANKCASE HEATER CRANKCASE HEATER SWITCH The Phase Rotation Monitor will not allow the contactor to be Wiring Diagram — Model size 3 -- 5 tons,. Learn the basics of adding a 240-volt baseboard heater, including circuit requirements, thermostat options, and heater installation and wiring.. Wiring Diagrams ww introduction This booklet has been prepared as a guide to some (For 2 Phase, 3 Wire, L2 and T2 are common) Sgl. Phase Lines.
Most US commercial buildings use a 3 Phase 4 Wire 208Y/120V power (Water Heaters, etc.) powered using any of (3) Automation Controls • OEM Panels..
Honda Cbr250r Rr 1987 1996 Mc17 19 22 Service Repair Manuals
Hp Rp3440 Manual - Auto Electrical Wiring Diagram my home data center
Hp Rp3440 Manual - Auto Electrical Wiring Diagram my home data center
Honda Civic Speedo Wiring Schematics
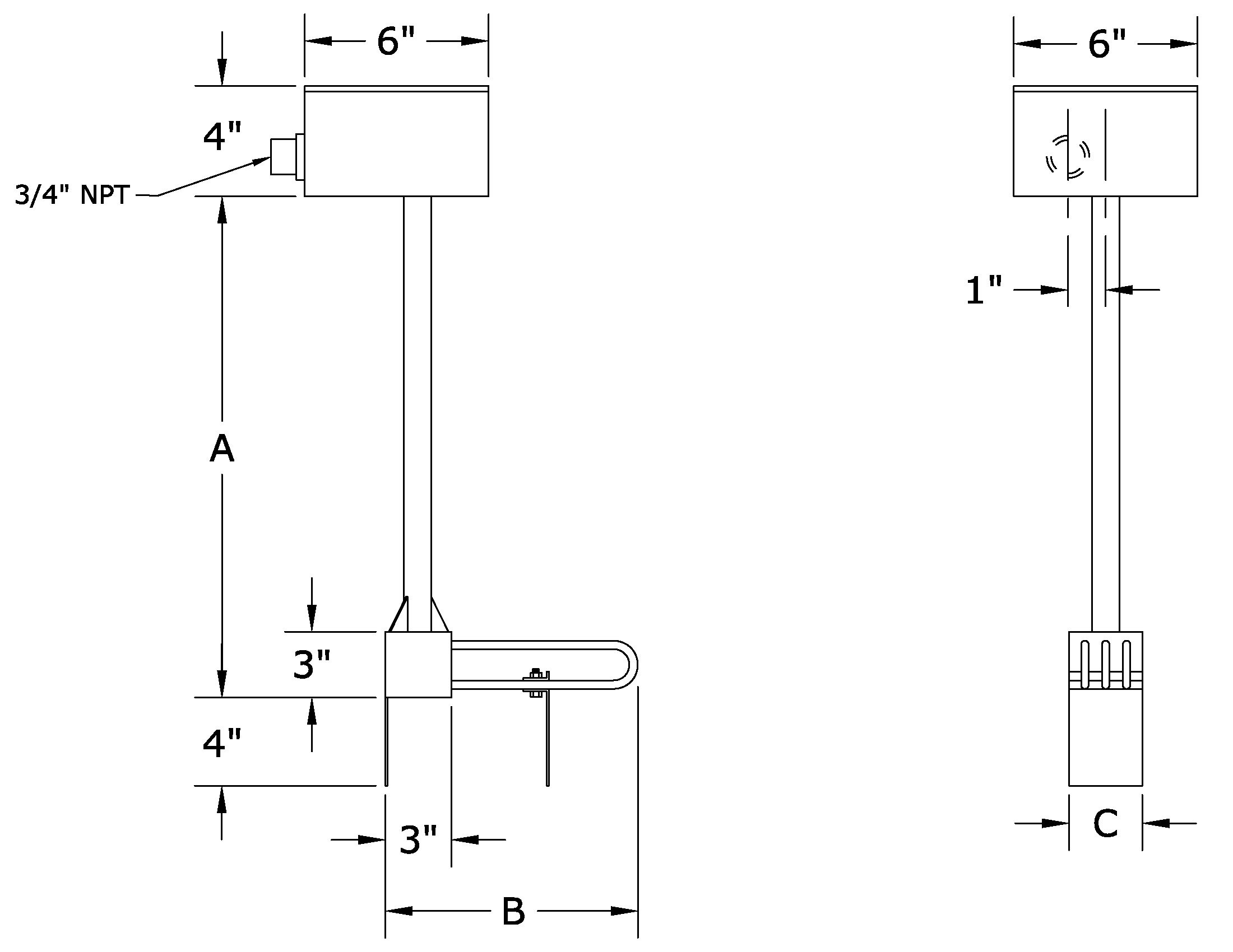
Accutherm - Distributer OL Series Over the Side Immersion Heaters – Straight Elements – Tank Bottom
Accutherm - Distributer OL Series Over the Side Immersion Heaters – Straight Elements – Tank Bottom
Honda Civic Engine Swap Chart User Manual
1991 F150 4x4 Fuse Box To Coil - Starting Know About Wiring Diagram • repair guides wiring diagrams wiring diagrams
1991 F150 4x4 Fuse Box To Coil - Starting Know About Wiring Diagram • repair guides wiring diagrams wiring diagrams
Honda Civic 1996 Fuse Box
Typical Wiring Diagram Rv Park - Auto Electrical Wiring Diagram rv battery isolator wiring diagram · rv power upgrade
Typical Wiring Diagram Rv Park - Auto Electrical Wiring Diagram rv battery isolator wiring diagram · rv power upgrade
Securely Verified