Audi A6 Online Repair Manuals - Repair Manual $159.95 218: Audi 100, 200: 1989-1991 Repair Manual including 100 Quattro, 200 Quattro, Wagon, Turbo and 20-valve models. Chilton's DIY automotive repair manuals for all your car service jobs. Simple fast access to online car manuals now. Do the job right, with Chilton.. Audi Service Manuals PDF, Workshop Manuals, spare parts catalog, fault codes and wiring diagrams. The new AUDI Repair Manuals presented here should provide real assistance to the driver in any difficult situation on the road or in the garage, which concerns the operation, maintenance, diagnostics and repair of these machines..
Car owners manuals, booklets and guides. Manuals for cars that you can read, download in PDF or print.. Bentley Publishers YouTube Channel. Watch and subscribe to the Bentley Publishers YouTube Channel for author interviews, discussions with our technical editors or. Find great deals on eBay for Audi TT Manual in Audi Workshop Manuals. Shop with confidence..
VAG Links (Volkswagen or VW AG Links - pronounced V-A-Guh) is a comprehensive repository of VW and Audi automotive related links. Links are grouped by categories and numerous DIY articles and repair manuals are available for download. Eurotek Tuning features a wide selction of Audi Performance parts. Our online category includes aftermarket and OEM products--exhaust systems, intakes, suspension and more.. We have a wide selection of new Audi parts and Audi spare auto parts. Since 2000 we have carried Audi parts online for a4, TT, s4 and much more. FAST, same-day shipping available..
If you’re planning any automotive projects, a repair manual can be just the ticket for helping you complete the job. We offer brands including: Bentley, Chilton, Haynes & Volkswagon..
Car owners manuals, booklets and guides. Manuals for cars that you can read, download in PDF or print.. Bentley Publishers YouTube Channel. Watch and subscribe to the Bentley Publishers YouTube Channel for author interviews, discussions with our technical editors or. Find great deals on eBay for Audi TT Manual in Audi Workshop Manuals. Shop with confidence..
VAG Links (Volkswagen or VW AG Links - pronounced V-A-Guh) is a comprehensive repository of VW and Audi automotive related links. Links are grouped by categories and numerous DIY articles and repair manuals are available for download. Eurotek Tuning features a wide selction of Audi Performance parts. Our online category includes aftermarket and OEM products--exhaust systems, intakes, suspension and more.. We have a wide selection of new Audi parts and Audi spare auto parts. Since 2000 we have carried Audi parts online for a4, TT, s4 and much more. FAST, same-day shipping available..
If you’re planning any automotive projects, a repair manual can be just the ticket for helping you complete the job. We offer brands including: Bentley, Chilton, Haynes & Volkswagon..
Passenger Compartment Fuse Box Diagram Mack
Buy Audi A6 S6 Owners Handbook Manual With Wallet 2015 Post MMI NAV ... Audi A6 C7 Handbook Owners Manual 05/2015> New 1615614G020
Buy Audi A6 S6 Owners Handbook Manual With Wallet 2015 Post MMI NAV ... Audi A6 C7 Handbook Owners Manual 05/2015> New 1615614G020
Panasonic Pt 56lcx70 Pt 61lcx70 Service Manuals Repair Guide
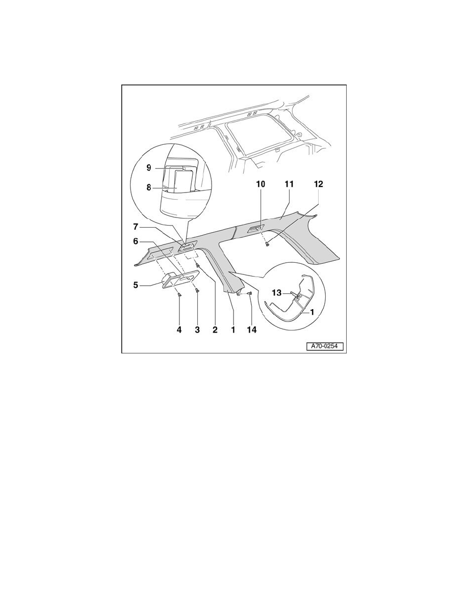
Audi Workshop Manuals > A6 V6-3.0L (AVK) (2004) > Body and Frame ... Body and Frame > Interior Moulding / Trim > Trim Panel > Component Information > Service and Repair > C-Pillar Trim > Trim Panels (Avant)
Audi Workshop Manuals > A6 V6-3.0L (AVK) (2004) > Body and Frame ... Body and Frame > Interior Moulding / Trim > Trim Panel > Component Information > Service and Repair > C-Pillar Trim > Trim Panels (Avant)
Pdf Download Pagesrhmanualagentcom Jensen Vx7020 Wiring Diagram20 Vx Installation Guide Page Free Pdf Download Pagesrhmanualagentcom How To Read
Audi A6 Allroad Workshop & Owners Manual | Free Download Audi A6 Allroad
Audi A6 Allroad Workshop & Owners Manual | Free Download Audi A6 Allroad
Panasonic Tc 42px14 Plasma Hd Tv Service Manual Download
A3 | Haynes Publishing Online manual & videos. Enlarge Audi ...
A3 | Haynes Publishing Online manual & videos. Enlarge Audi ...
Securely Verified