International 4900 Dt466e Diagnostic Manual - DT466E international diesel wont start - Answered by a verified Technician. ALLISON TRANSMISSION_TS3977EN_Troubleshooting Manual 4th Gen 1000 & 2000 Prod Fam.
25 Hp Johnson Outboard Motor Wiring Diagram
2002 International 4900 6X6 DIGGER DERRICK city TX North Texas Equipment ... 2002 International 4900 6X6 DIGGER DERRICK city TX North Texas Equipment in Fort Worth, ...
2002 International 4900 6X6 DIGGER DERRICK city TX North Texas Equipment ... 2002 International 4900 6X6 DIGGER DERRICK city TX North Texas Equipment in Fort Worth, ...
230 Volt Single Phase Wiring Diagram
Navistar International 4900 Owners manual Navistar International 4900 Owners manual. Searchable, over 40, our site Also, consumers are enraged over the poor quality of diesel engine in Super Duty ...
Navistar International 4900 Owners manual Navistar International 4900 Owners manual. Searchable, over 40, our site Also, consumers are enraged over the poor quality of diesel engine in Super Duty ...
240 480 Motor Wiring Diagram
International Truck Wiring Diagram | Fuse Box & Wiring Diagram dt466 engine wiring diagram online wiring diagram93 gmc sierra fuse diagrams online wiring diagram data1993 gmc
International Truck Wiring Diagram | Fuse Box & Wiring Diagram dt466 engine wiring diagram online wiring diagram93 gmc sierra fuse diagrams online wiring diagram data1993 gmc
24 Volt Ac Transformer Wiring Diagram
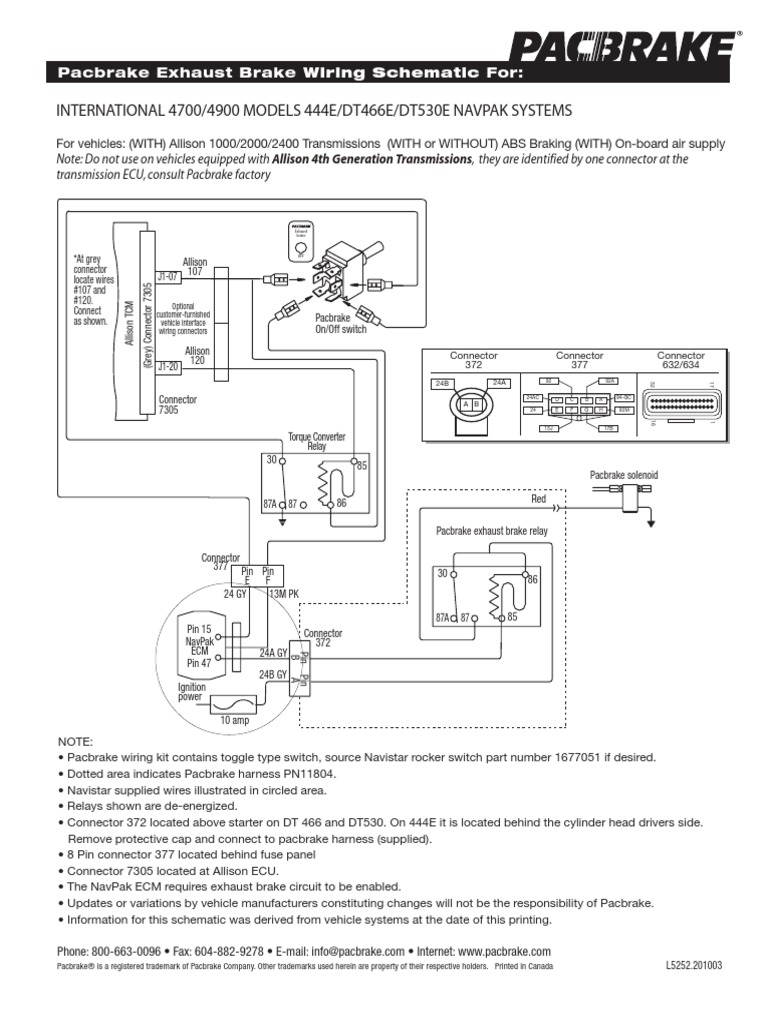
Exhaust Brake DT466E
Exhaust Brake DT466E
Securely Verified