Ml320 Spare Tire Removal Manuals - View and Download Mercedes-Benz 2001 M-Class operator's manual online. M-Class. 2001 M-Class Automobile pdf manual download. Also for: 2001 ml 320, 2001 ml 430, 2001 ml 55 amg, 2000 ml-class, 2001 ml-class, Ml 320, Ml 55 amg, Ml 430, Ml320 cdi ml430 cdi ml55 amg..
Dell Optiplex 780 Desktop Manuals
EBOOK-2077] 2000 Mercedes Benz Ml320 Manual | 2019 Ebook Library 2000 Mercedes Benz Ml320 Manual
EBOOK-2077] 2000 Mercedes Benz Ml320 Manual | 2019 Ebook Library 2000 Mercedes Benz Ml320 Manual
Derivatives Markets Solutions Manual Download
How to change a tire on Mercedes-Benz – MB Medic
How to change a tire on Mercedes-Benz – MB Medic
Delta Vfd Control Wiring Diagram
Mercedes Ml Fuel Filter Replacement | Manual e-books 1998 ml320 fuel filter wiring diagram
Mercedes Ml Fuel Filter Replacement | Manual e-books 1998 ml320 fuel filter wiring diagram
Dell Perc 3 Qc Manuals
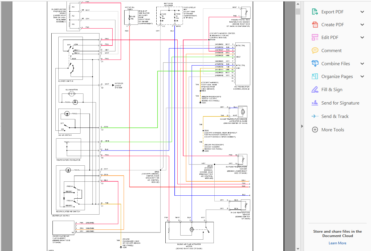
OFFICIAL WORKSHOP SERVICE Repair MANUAL MERCEDES BENZ ML320 1998 ... ... OFFICIAL WORKSHOP SERVICE Repair MANUAL MERCEDES BENZ ML320 1998-2005 +WIRING#
OFFICIAL WORKSHOP SERVICE Repair MANUAL MERCEDES BENZ ML320 1998 ... ... OFFICIAL WORKSHOP SERVICE Repair MANUAL MERCEDES BENZ ML320 1998-2005 +WIRING#
Securely Verified