Model Wiring Whirlpool Diagram Dryer Ler7646aw2 - Kenmore Dryer Model 110 Wiring Diagram Electric Dryer Wiring Diagram. Whirlpool Dryer Wiring Diagram. Maytag Dryer Thermal Fuse. Kenmore 80.. Wiring Diagrams And Schematics Appliantology. Wiring Diagram For Whirlpool Dryer Heating Element Gallery. Wiring Diagram Whirlpool Dryer Wed4800xq Diagrams. I am looking for a wiring diagram for a whirlpool dryer model # LER7646EQ0. Report i need a wiring diagram for a whirlpool dryer model GEQ8858KQ0.
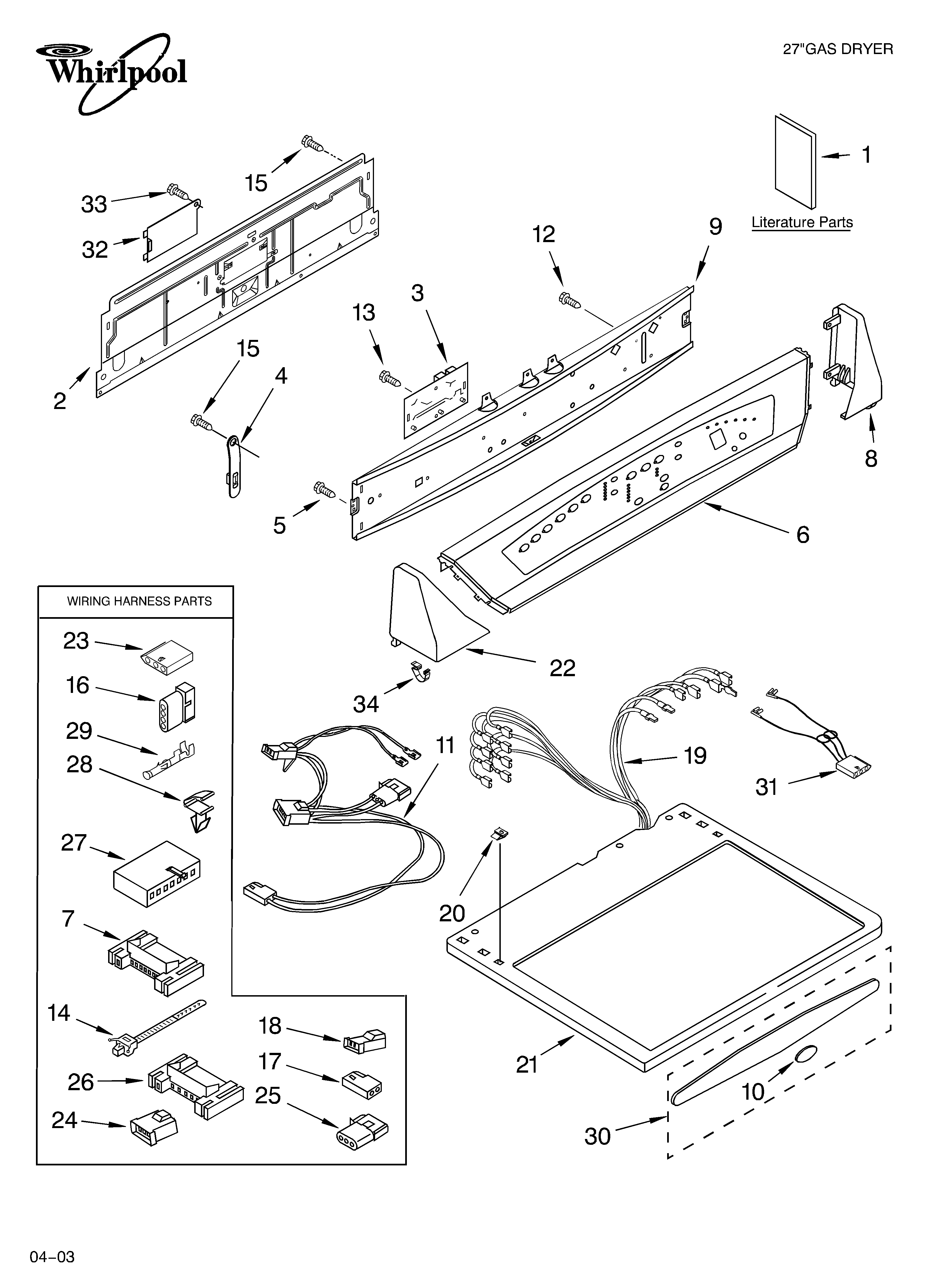
WASHER/DRYER CONTROL PANEL PARTS For Models: LIT8299786 Wire Diagram Wiring Harness Repair). ServiceManuals.net carries service manuals for many different products, including the WHIRLPOOL WRS322FNAH00 WIRING DIAGRAM-TECH SHEETS AND EXPLODED VIEEW. Kenmore 600 Series Dryer Schematic Diagram Also Model 11079622800 97 Honda Foreman Wiring-Diagram. How to Disemble Whirlpool/Kenmore Dryer.
Whirlpool model gs5shaxnl01 side by refrigerator genuine parts rh searspartsdirect kenmore ice maker wiring diagram 626662 wiring diagram whirlpool. Amana Dryer Wiring Instructions PARTS diagram for model # NED4500VQ0 Amana-Parts Dryer-Parts Whirlpool Corporati Wiring diagram:. Crosley washing machine schematic diagram service manual circuit diagram wiring schema repair instruction guide user manual.
Model #: CED9160GW. Color: consider an electric dryer from Whirlpool. We’ve designed our electric clothes dryers with features that help you get.
WASHER/DRYER CONTROL PANEL PARTS For Models: LIT8299786 Wire Diagram Wiring Harness Repair). ServiceManuals.net carries service manuals for many different products, including the WHIRLPOOL WRS322FNAH00 WIRING DIAGRAM-TECH SHEETS AND EXPLODED VIEEW. Kenmore 600 Series Dryer Schematic Diagram Also Model 11079622800 97 Honda Foreman Wiring-Diagram. How to Disemble Whirlpool/Kenmore Dryer.
Whirlpool model gs5shaxnl01 side by refrigerator genuine parts rh searspartsdirect kenmore ice maker wiring diagram 626662 wiring diagram whirlpool. Amana Dryer Wiring Instructions PARTS diagram for model # NED4500VQ0 Amana-Parts Dryer-Parts Whirlpool Corporati Wiring diagram:. Crosley washing machine schematic diagram service manual circuit diagram wiring schema repair instruction guide user manual.
Model #: CED9160GW. Color: consider an electric dryer from Whirlpool. We’ve designed our electric clothes dryers with features that help you get.
99 Ford F 250 Wiring Diagrams
Amazon.com: Whirlpool 279816 Thermostat Kit for Dryer: Home Improvement
Amazon.com: Whirlpool 279816 Thermostat Kit for Dryer: Home Improvement
99 Ranger Main Fuse Box
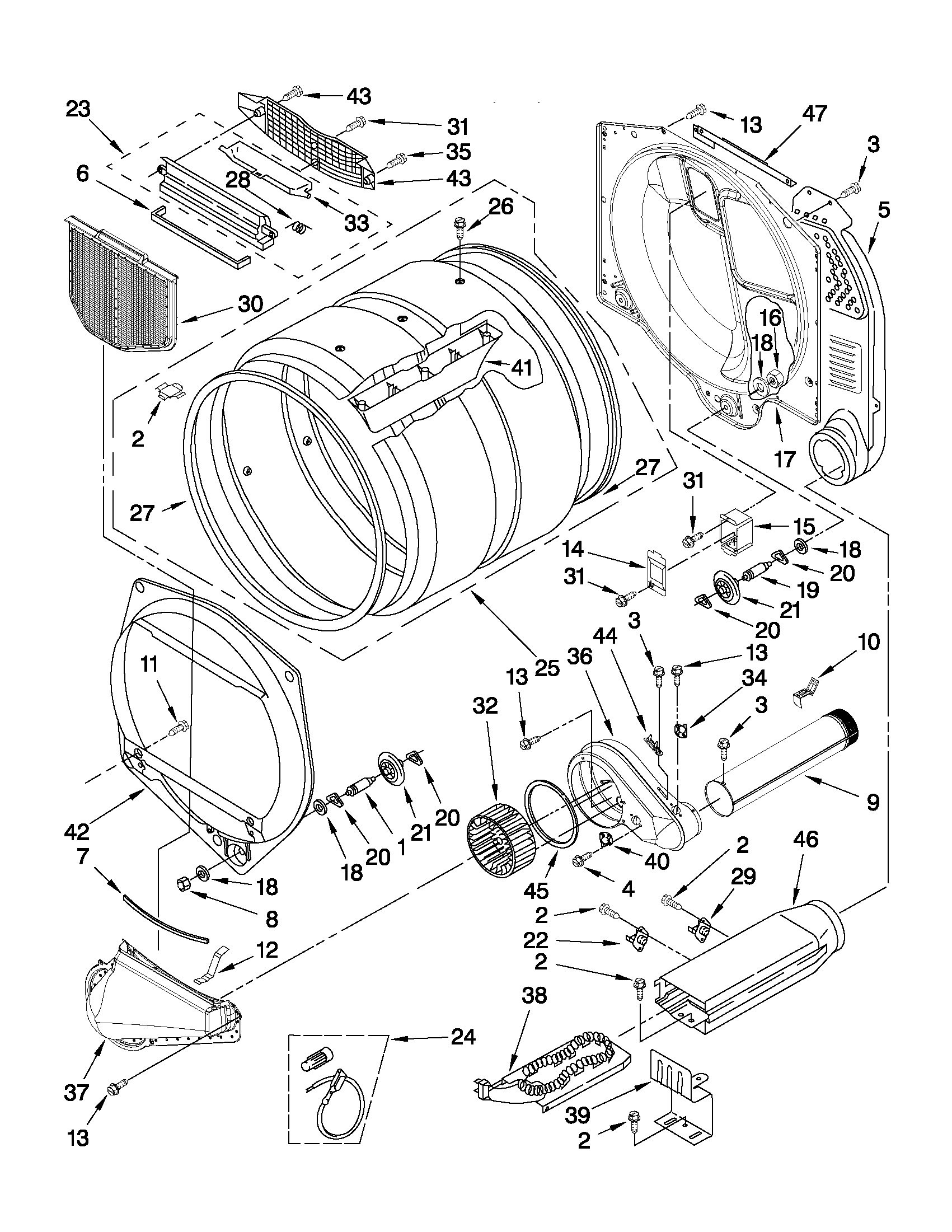
Whirlpool model 7MGGW9868KQ1 residential dryer genuine parts
Whirlpool model 7MGGW9868KQ1 residential dryer genuine parts
99 Mitsubishi Montero Fuse Box
Sears parts commercial / Online Deals WHIRLPOOL COMMERCIAL DRYER Parts , Model cgm2761kq2KENMORE COMMERCIAL DRYER Parts , Model 11067122310 , Sears. Temco Parts Washer Wiring Diagram ...
Sears parts commercial / Online Deals WHIRLPOOL COMMERCIAL DRYER Parts , Model cgm2761kq2KENMORE COMMERCIAL DRYER Parts , Model 11067122310 , Sears. Temco Parts Washer Wiring Diagram ...
99 Honda Accord Fuse Diagram
FSP GENUINE OEM NEW Whirlpool Kenmore Dryer Belt (Check Model Fit ... FSP GENUINE OEM NEW Whirlpool Kenmore Dryer Belt (Check Model Fit List) 50946008073 | eBay
FSP GENUINE OEM NEW Whirlpool Kenmore Dryer Belt (Check Model Fit ... FSP GENUINE OEM NEW Whirlpool Kenmore Dryer Belt (Check Model Fit List) 50946008073 | eBay
Securely Verified