Peugeot 206 Ignition Wiring Diagramt - Peugeot - Central locking wiring diagram. central locking wiring Can some help please,I have a peugeot the central locking. When the remote key is used the doors all lock with a satisfying clunk then almost Examination of the wiring diagram reveals a clue to the problem.. electrical wiring ford stereo harness adapter radio wire rhnolanwebdev glamorous peugeot diagram colours pictures best rhkinkajo.us with basic rhwenkm u crayonbox.corhcrayonbox.co charming for central door locking preview diagrams rhbwrj.org [wiring gti] magnificent contemporary rheidetec diagram peugeot 7 radiorhsvlc.us stateofindiana.corhstateofindiana.co generous photos and. Peugeot 206 Radio Wiring Diagram Colours mmucc thousands collection of electric wiring diagram manual transfer switch wiring diagram tailgate wiring harness volvo 240 dodge alarm wiring diagram electrical fuse box regulations speakon connector wiring diagram peugeot 405 service and repair manual pdf download view and download peugeot 405.
remarkable peugeot wiring diagrams ideas best image wire binvm.us gti engine electrics upgrade diagram efcaviation 7 peugeot gti aircon wiring diagram generous contemporary electrical car manuals pdf fault codes supplementary a typical management with blueprint images ancillary circuits washwipe ecu peugeot engine type pc ( xudbtecyll ) epic diesel testing gti tachy relay ford mustang fuse box. Jan 31, 2015 · Peugeot 206 - Central locking wiring diagram . 206 central locking wiring Can some help please,I have a peugeot 206 the central locking doesn't work even with the key, I have ordered a aftermarket central locking unit which I plan on fitting so the central locking bypasses the bsi unit so it is independent, I have a peugeot wiring diagram but aren't 100 percent clear on it, the question is can. 18 Ignition switch/steering column lock – removal and refitting; 19 Steering gear assembly – removal, overhaul and refitting Wiring Diagrams 13 Reference About this website; 1 Introduction to the Peugeot 206 Peugeot 206 Owners Workshop Manual.
2004 307cc wiring schematic peugeot forums inside 307 diagram . Gallery of 2004 307cc wiring schematic peugeot forums inside 307 diagram peugeot 307 radio wiring library and diagram wiring diagram peugeot 307 download starbucks best of extraordinary peugeot 307 electrical wiring diagram photos best inside peugeot 206 wiring diagram for central door locking charming in afif 307 peugeot. Jun 05, 2009 · Posted: Tue 26 May, 2009 6:21 pm: Hi Ive just fitted a towbar to my 2005 206. fitted no problem but as for the wiring not a clue. I have the 7 way relay which i was told to use I have wired the electrics to this ok wire to the battery with a inline fuse and earth what i am not sure is wiring in to the rear light loom because the colours on the car are not the same as the towbar electrics. hope. Wiring Diagram Peugeot 307 Cc Wire Center. 2001 2003 Peugeot 307 Wiring Diagram Wiring Diagram. Cabriolet. Peugeot 307 Cc 2005 Fuse Box Diagram Auto Genius. Saab 93 Convertible Roof Wiring Diagram Wiring Library. Peugeot 206 Bsi Wiring Diagram And 307 Kiosystems Me. Peugeot 308 Wiring Diagram Imageresizertool..
Electronics service manual exchange : schematics,datasheets,diagrams,repairs,schema,service manuals,eeprom bins,pcb as well as service mode entry, make to. Get the best deal for Car & Truck Ignition Wires for Peugeot from the largest online selection at eBay.com. Browse your favorite brands affordable prices free shipping on many items..
remarkable peugeot wiring diagrams ideas best image wire binvm.us gti engine electrics upgrade diagram efcaviation 7 peugeot gti aircon wiring diagram generous contemporary electrical car manuals pdf fault codes supplementary a typical management with blueprint images ancillary circuits washwipe ecu peugeot engine type pc ( xudbtecyll ) epic diesel testing gti tachy relay ford mustang fuse box. Jan 31, 2015 · Peugeot 206 - Central locking wiring diagram . 206 central locking wiring Can some help please,I have a peugeot 206 the central locking doesn't work even with the key, I have ordered a aftermarket central locking unit which I plan on fitting so the central locking bypasses the bsi unit so it is independent, I have a peugeot wiring diagram but aren't 100 percent clear on it, the question is can. 18 Ignition switch/steering column lock – removal and refitting; 19 Steering gear assembly – removal, overhaul and refitting Wiring Diagrams 13 Reference About this website; 1 Introduction to the Peugeot 206 Peugeot 206 Owners Workshop Manual.
2004 307cc wiring schematic peugeot forums inside 307 diagram . Gallery of 2004 307cc wiring schematic peugeot forums inside 307 diagram peugeot 307 radio wiring library and diagram wiring diagram peugeot 307 download starbucks best of extraordinary peugeot 307 electrical wiring diagram photos best inside peugeot 206 wiring diagram for central door locking charming in afif 307 peugeot. Jun 05, 2009 · Posted: Tue 26 May, 2009 6:21 pm: Hi Ive just fitted a towbar to my 2005 206. fitted no problem but as for the wiring not a clue. I have the 7 way relay which i was told to use I have wired the electrics to this ok wire to the battery with a inline fuse and earth what i am not sure is wiring in to the rear light loom because the colours on the car are not the same as the towbar electrics. hope. Wiring Diagram Peugeot 307 Cc Wire Center. 2001 2003 Peugeot 307 Wiring Diagram Wiring Diagram. Cabriolet. Peugeot 307 Cc 2005 Fuse Box Diagram Auto Genius. Saab 93 Convertible Roof Wiring Diagram Wiring Library. Peugeot 206 Bsi Wiring Diagram And 307 Kiosystems Me. Peugeot 308 Wiring Diagram Imageresizertool..
Electronics service manual exchange : schematics,datasheets,diagrams,repairs,schema,service manuals,eeprom bins,pcb as well as service mode entry, make to. Get the best deal for Car & Truck Ignition Wires for Peugeot from the largest online selection at eBay.com. Browse your favorite brands affordable prices free shipping on many items..
Ford V10 Manual Transmission For Sale
Peugeot 206 Wiring Diagram - Wiring Diagram Data Val Wiring Diagram For Peugeot 206 Central Get Free Image About Wiring Peugeot 206 Wiring Diagram Radio Peugeot 206 Wiring Diagram
Peugeot 206 Wiring Diagram - Wiring Diagram Data Val Wiring Diagram For Peugeot 206 Central Get Free Image About Wiring Peugeot 206 Wiring Diagram Radio Peugeot 206 Wiring Diagram
Free 1991 Ford Explorer Manuals
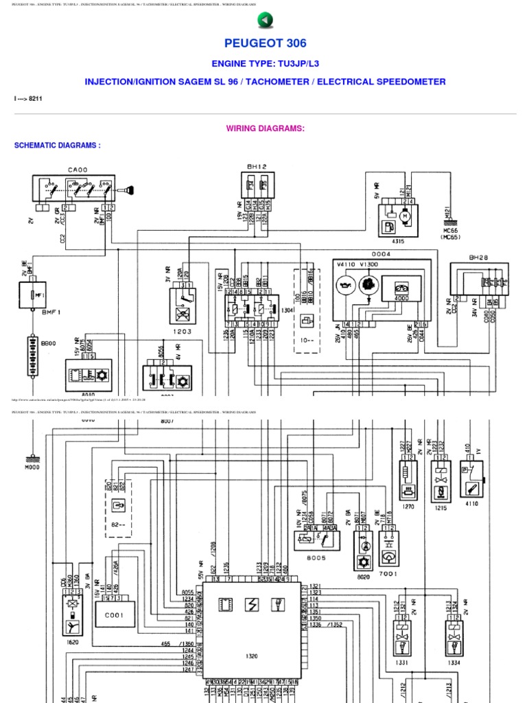
Peugeot 306 Wiring Diagram - Wiring Diagram Data Today Peugeot 306 Wiring Diagram
Peugeot 306 Wiring Diagram - Wiring Diagram Data Today Peugeot 306 Wiring Diagram
Four Way Dimmer Switch Wiring Diagrams One Light
WRG-3813] Peugeot 208 Wiring Diagram 206 GTi Reverse Lights Not Working This one .
WRG-3813] Peugeot 208 Wiring Diagram 206 GTi Reverse Lights Not Working This one .
Ford Tractor Wiring Diagram 4000
Peugeot 206 Wiring Diagrams - My Wiring Diagram Peugeot Ac Wiring Diagram Wiring Diagram Schema Peugeot 206 Sw Wiring Diagram Peugeot 206 Wiring Diagrams
Peugeot 206 Wiring Diagrams - My Wiring Diagram Peugeot Ac Wiring Diagram Wiring Diagram Schema Peugeot 206 Sw Wiring Diagram Peugeot 206 Wiring Diagrams
Securely Verified