Polaris 800 Rush Pro S 2016 Wiring Diagram - Polaris 2016 800 RMK Assault Snowmobile Service Manual Polaris 600 Pro-RMK 155, 800 Rush Pro-S, 800 Rush Pro-S LE, 800 Rush Pro-X, 800 Rush Pro-X LTD, 800 Switchback Pro-S, 800 Switchback Pro-X, 800 Switchback Adventure, 800 Switchback Steering / Suspension, Chassis, Battery / Electrical Systems, Index, Wiring Diagrams. Part. Apr 15, 2014 - 2015 Polaris 800 Rush Pro S Review Video: The 2015 Polaris RushPro S is a the high end Pro-R version with a choice of a 600 or 800 engine. "X" Games, looked at the big picture of snowmobile performance. Interestingly, the Rush Pro-S tends to be much more versatile than its Pro-X counterpart.. Shop online for OEM Electrical, Switches, Sensors & Components All Options parts that fit your 2016 Polaris 800 RUSH PRO-S ALL OPTIONS (S16DP8), search all.
PMS 419 Snowmobile Owner's Manual for Maintenance and Safety 600 RUSH 800 RUSH 600 SWITCHBACK your Polaris vehicle, scan this QR code with your smartphone. 1 WELCOME 600 RUSH / 800 RUSH / 600 SWITCHBACK / 800 SWITCHBACK 2016 Owner’s Manual P/N 9925998. This is the BEST, most complete workshop repair and maintenance manual available anywhere on the internet! All of the manual listed below are full factory service manuals with hundreds of pages containing step by step instructions, full wiring diagrams and detailed illustrations on how to repair, rebuild or maintain virtually anything to your ATV or Ranger.. DOWNLOAD Polaris Snowmobile Repair Manual 1985-2016 June 22, 2017 Webmaster Polaris Repair Manuals 13 A downloadable Polaris snowmobile repair manual is a digitally delivered book of instructions that details the process of fixing or mending a motor vehicle with caterpillar tracks on the rear and steerable skis on the front..
Dec 17, 2018 · For Today's project, we install the Polaris heated shield plug on my 2015 Axys 800 Switchback. This p Skip navigation Polaris AXYS PRO-S vs. PRO-X Comparison by SuperTrax and SnowTrax TV. 1999-2000 Polaris ATV s and 6x6 Repair Manual pdf. $18.99. VIEW DETAILS. 1999-2000 Polaris ATV Service Manual. $18.99. VIEW DETAILS. 2002 Polaris 6x6 utv part number manual 2002 Polaris Professional Series ATV Wiring Diagram. $14.99. VIEW DETAILS. 2003 Polaris PTV 6x6 Parts Manual. $22.99. VIEW DETAILS. 2003 Polaris UTV 2x4 Series 10 Parts. Dec 03, 2009 · Kurt & Levi discuss how to set-up & adjust the suspension on the Polaris RUSH snowmobile. RUSH Suspension Set-up & Adjustment - Polaris Self Service Video 2015 Polaris RUSH 800 Pro-S.
Oct 20, 2017 · Today We're going over how to do a quick chaincase service on your sled to get it prepped for the season! I would DEFINITELY recommend performing this servic. 800 RUSH; Polaris 800 RUSH Manuals Polaris 800 Rush 2016; Polaris 800 RMK 2011; Polaris 800 RMK ASSAULT 2011; Polaris 800 RUSH 2011; Polaris 800 IQ; Polaris 800 Pro X; Polaris 800 PRO RMK 2013; Polaris RANGER CREW 800; Polaris MVRS 800 4X4; Polaris Categories. Offroad Vehicle Swimming Pool Vacuum Utility Vehicle Snowmobiles Vacuum Cleaner.. Polaris Parts House is owned and operated by Babbitt's Online. This site is dedicated to selling OEM Polaris ATV parts, snowmobile parts, Ranger parts and RZR parts. You can easily find the parts through our parts diagrams after finding the appropriate category above..
Nov 24, 2017 · Polaris Pro Ride - Fuel Filter and Sock Replacement (600 and 800) and replace the fuel filter and sock in your Polaris Snowmobile in the Pro-Ride Chassis. 8000 146 VS 2020 Polaris Assault. Polaris Rush Pro S 600, 2016-2018, Stator - 4013413, 4014958 (Fits: Polaris Rush 600) $149.99. Brand: Sledpartsguy. 2014 POLARIS PRO RMK 800 Speedometer Gauge Dash Speedo 6219 Miles. $169.00. Brand: Polaris. Make Offer - 2002 02 YAMAHA SX VIPER SXV700 MAIN ENGINE WIRING HARNESS ELECTRIC START ER REV. Arctic Cat M8 ECU Computer 2007 #5.
PMS 419 Snowmobile Owner's Manual for Maintenance and Safety 600 RUSH 800 RUSH 600 SWITCHBACK your Polaris vehicle, scan this QR code with your smartphone. 1 WELCOME 600 RUSH / 800 RUSH / 600 SWITCHBACK / 800 SWITCHBACK 2016 Owner’s Manual P/N 9925998. This is the BEST, most complete workshop repair and maintenance manual available anywhere on the internet! All of the manual listed below are full factory service manuals with hundreds of pages containing step by step instructions, full wiring diagrams and detailed illustrations on how to repair, rebuild or maintain virtually anything to your ATV or Ranger.. DOWNLOAD Polaris Snowmobile Repair Manual 1985-2016 June 22, 2017 Webmaster Polaris Repair Manuals 13 A downloadable Polaris snowmobile repair manual is a digitally delivered book of instructions that details the process of fixing or mending a motor vehicle with caterpillar tracks on the rear and steerable skis on the front..
Dec 17, 2018 · For Today's project, we install the Polaris heated shield plug on my 2015 Axys 800 Switchback. This p Skip navigation Polaris AXYS PRO-S vs. PRO-X Comparison by SuperTrax and SnowTrax TV. 1999-2000 Polaris ATV s and 6x6 Repair Manual pdf. $18.99. VIEW DETAILS. 1999-2000 Polaris ATV Service Manual. $18.99. VIEW DETAILS. 2002 Polaris 6x6 utv part number manual 2002 Polaris Professional Series ATV Wiring Diagram. $14.99. VIEW DETAILS. 2003 Polaris PTV 6x6 Parts Manual. $22.99. VIEW DETAILS. 2003 Polaris UTV 2x4 Series 10 Parts. Dec 03, 2009 · Kurt & Levi discuss how to set-up & adjust the suspension on the Polaris RUSH snowmobile. RUSH Suspension Set-up & Adjustment - Polaris Self Service Video 2015 Polaris RUSH 800 Pro-S.
Oct 20, 2017 · Today We're going over how to do a quick chaincase service on your sled to get it prepped for the season! I would DEFINITELY recommend performing this servic. 800 RUSH; Polaris 800 RUSH Manuals Polaris 800 Rush 2016; Polaris 800 RMK 2011; Polaris 800 RMK ASSAULT 2011; Polaris 800 RUSH 2011; Polaris 800 IQ; Polaris 800 Pro X; Polaris 800 PRO RMK 2013; Polaris RANGER CREW 800; Polaris MVRS 800 4X4; Polaris Categories. Offroad Vehicle Swimming Pool Vacuum Utility Vehicle Snowmobiles Vacuum Cleaner.. Polaris Parts House is owned and operated by Babbitt's Online. This site is dedicated to selling OEM Polaris ATV parts, snowmobile parts, Ranger parts and RZR parts. You can easily find the parts through our parts diagrams after finding the appropriate category above..
Nov 24, 2017 · Polaris Pro Ride - Fuel Filter and Sock Replacement (600 and 800) and replace the fuel filter and sock in your Polaris Snowmobile in the Pro-Ride Chassis. 8000 146 VS 2020 Polaris Assault. Polaris Rush Pro S 600, 2016-2018, Stator - 4013413, 4014958 (Fits: Polaris Rush 600) $149.99. Brand: Sledpartsguy. 2014 POLARIS PRO RMK 800 Speedometer Gauge Dash Speedo 6219 Miles. $169.00. Brand: Polaris. Make Offer - 2002 02 YAMAHA SX VIPER SXV700 MAIN ENGINE WIRING HARNESS ELECTRIC START ER REV. Arctic Cat M8 ECU Computer 2007 #5.
97 Lincoln Continental Fuse Box Diagram
Polaris POST STEERING BLACK 1824343-329 New OEM | eBay 2016 800 SWITCHBACK PRO-S ALL OPTIONS
Polaris POST STEERING BLACK 1824343-329 New OEM | eBay 2016 800 SWITCHBACK PRO-S ALL OPTIONS
97 Tahoe Brake Light Wiring Diagram
2016 Polaris 800 Rush PRO-S | Owners Manual IMPORTANT NOTICE TO OWNER
2016 Polaris 800 Rush PRO-S | Owners Manual IMPORTANT NOTICE TO OWNER
97 Kia Sportage Wiring Diagram
2010-2018 Polaris Pro-Ride 600 800 Snowmobile Service Manual
2010-2018 Polaris Pro-Ride 600 800 Snowmobile Service Manual
97 Lexus Es300 Fuse Box
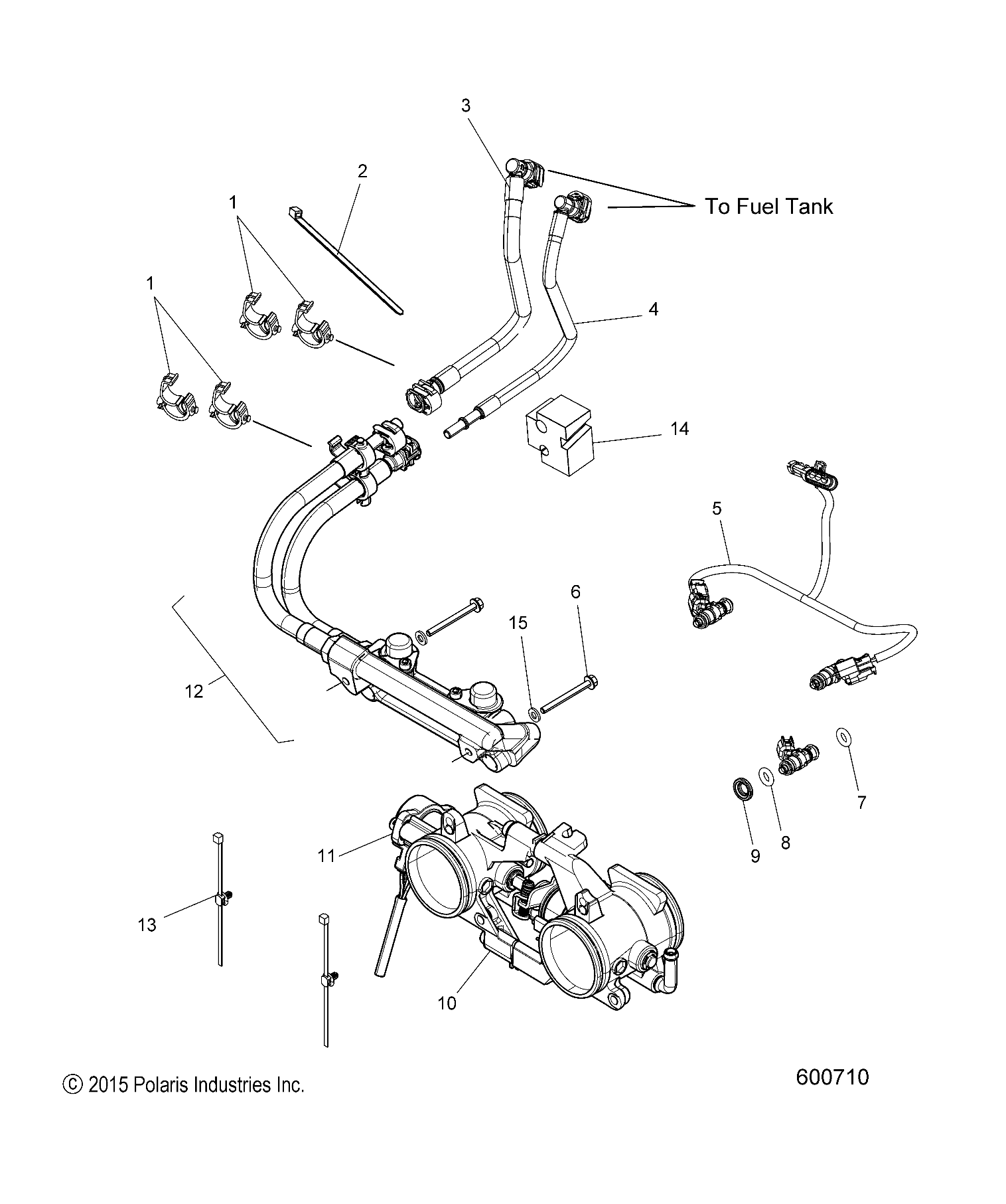
Injector with Lead Harness - Polaris - 800 600 - 2015 2016 2017 2018 ... 2015 800 SWITCHBACK PRO-X ALL OPTIONS
Injector with Lead Harness - Polaris - 800 600 - 2015 2016 2017 2018 ... 2015 800 SWITCHBACK PRO-X ALL OPTIONS
Securely Verified