Refrigerator Ice Maker Wiring Diagram - Kenmore Refrigerator Wiring Diagram - Collections Of Wiring Diagram Wiring Diagram formore Elite Refrigerator Copy Pdf. Refrigeration Wiring Diagram Symbols Refrence Kenmore Elite. Wiring Diagram Wiring Diagram Kenmoreator Pdf for Ice Maker Sears. Kenmore Elite Wiring Diagram Sample.. Appliance: Frigidaire Refrigerator DGHS2634KW3 My Repair & Advice. This was a tough fix because there were two causes to my problem - a stuck water valve and a bad ice maker. I first replaced the water valve, but that did not resolve the problem.. SpaceWise® Organization System. Our SpaceWise® Organization System makes it easy to keep food organized and accessible, with adjustable door bins that provide flexibility and deeper adjustable shelves than traditional counter-depth side-by-side refrigerators, which.
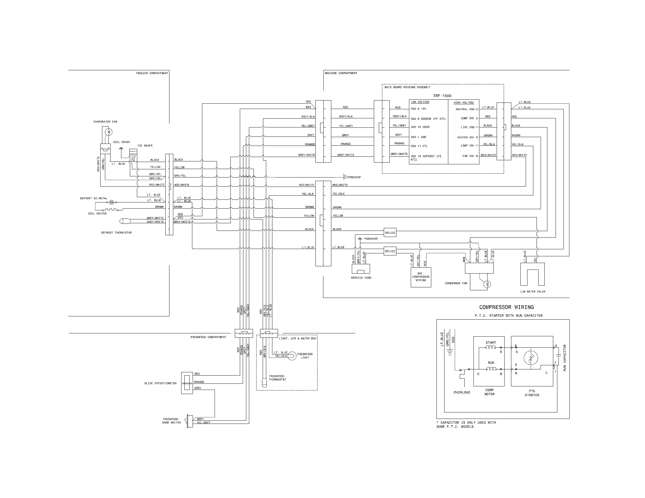
SERVICE DATA SHEET A06589001 ICE & WATER - AUTOMATIC DEFROST BOTTOM FREEZER - R134a Display CAUTION All electrical parts and wiring must be shielded from torch flame.. Rated 1 out of 5 by Jon he from Freezes food in the refrigerator and no ice Had this fridge for less than a year. Food constantly freezes in the refrogerstor section and the ice machine only sporadically works. We have tried to change the temp settings but it doesnt help..
SERVICE DATA SHEET A06589001 ICE & WATER - AUTOMATIC DEFROST BOTTOM FREEZER - R134a Display CAUTION All electrical parts and wiring must be shielded from torch flame.. Rated 1 out of 5 by Jon he from Freezes food in the refrigerator and no ice Had this fridge for less than a year. Food constantly freezes in the refrogerstor section and the ice machine only sporadically works. We have tried to change the temp settings but it doesnt help..
John Deere 6600 Combine Manuals
Looking for Crosley model CRT182IQW0 top-mount refrigerator ...
Looking for Crosley model CRT182IQW0 top-mount refrigerator ...
John Deere Generator Wiring Diagram Free Download
33D0F Ice Maker Wiring Diagram | Digital Resources
33D0F Ice Maker Wiring Diagram | Digital Resources
John Deere 970 Technical Manual
Circuit Schematic Maker ~ electronic circuit diagram
Circuit Schematic Maker ~ electronic circuit diagram
John Deere 820 Fuse Box Diagram
WRG-4671] Sub Zero Ice Maker Wiring Diagram
WRG-4671] Sub Zero Ice Maker Wiring Diagram
Securely Verified