Roper Dryer Rex5634kq1 Wiring Diagram - This thermal fuse is used in dryers as a safety mechanism that stops the flow of electricity to the motor circuit when a dryer overheats. This replacement part features two 3/16 inch terminals, and is.
Whirlpool Duet Dryer Manuals Online
Roper Dryer Wiring Diagram - Somurich.com Roper Dryer Wiring Diagram: Cute Whirlpool Dryer Gew9200lw1 Wiring Diagram Images - Electrical ,Design
Roper Dryer Wiring Diagram - Somurich.com Roper Dryer Wiring Diagram: Cute Whirlpool Dryer Gew9200lw1 Wiring Diagram Images - Electrical ,Design
Whirlpool Gold Oven Microwave Combo Manual
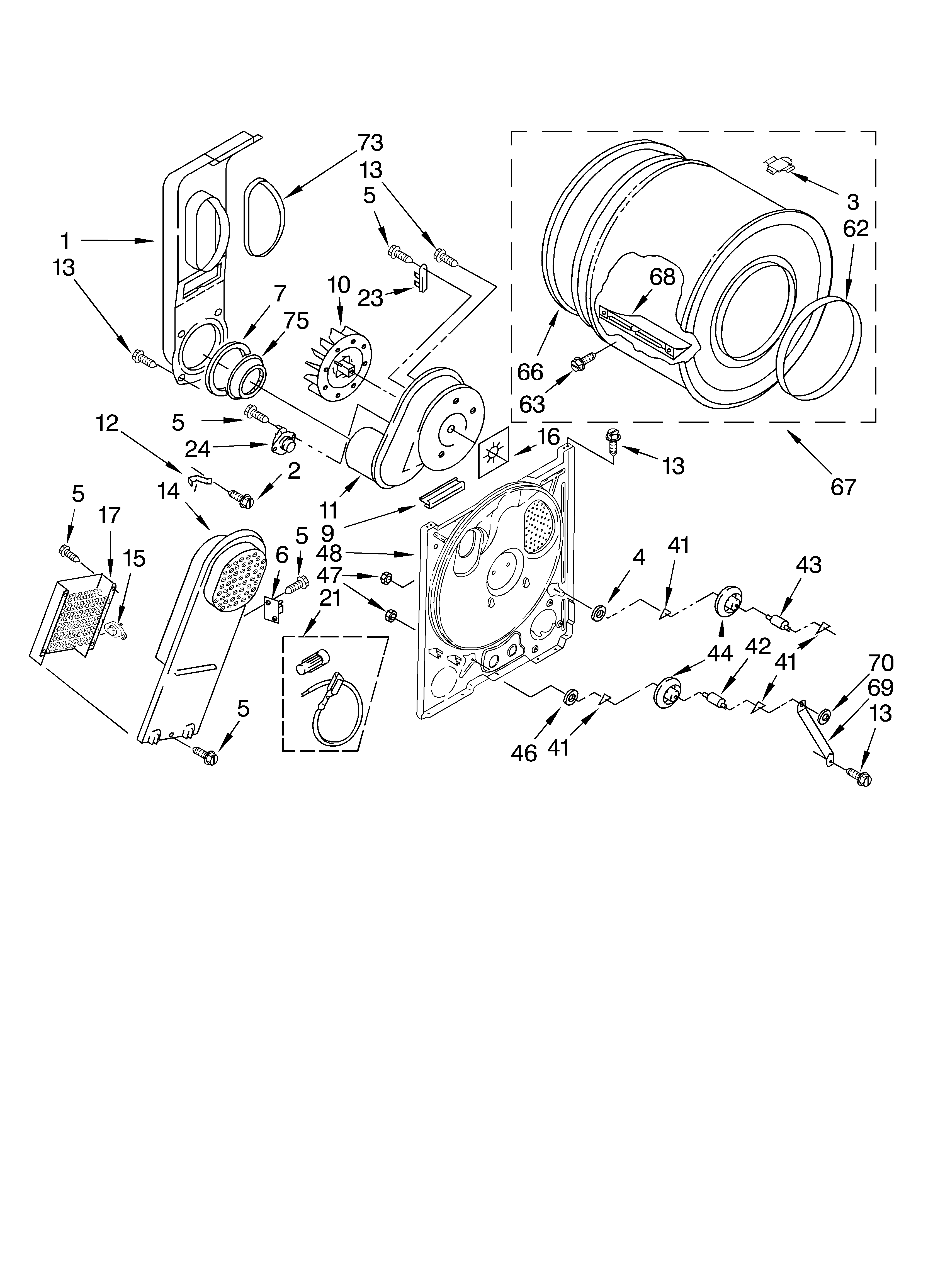
Roper model REX5634KQ1 residential dryer genuine parts
Roper model REX5634KQ1 residential dryer genuine parts
What Color Is Your Parachute 2019 A Practical Manual For Job Hunters And Career Changers
Roper model REX5634KQ1 residential dryer genuine parts
Roper model REX5634KQ1 residential dryer genuine parts
Whirlpool Cabrio Dryer Wiring Schematics
Roper Dryer Red4440vq1 Wiring Diagram - Just Wiring Diagram Schematic roper dryer wiring diagram copy pictures for incredible chromatex general electric dryer wiring diagram roper dryer
Roper Dryer Red4440vq1 Wiring Diagram - Just Wiring Diagram Schematic roper dryer wiring diagram copy pictures for incredible chromatex general electric dryer wiring diagram roper dryer
Securely Verified