Weed Eater Max Te475 Manual - View and Download Weed Eater TE 475 instruction manual online. Welcome to ManualMachine. You have been successfully registered. We have emailed you a verification link to to complete your registration. Please check your inbox, and if you can’t find it,. View online Instruction manual for Weed Eater TE475 Trimmer or simply click Download button to examine the Weed Eater TE475 guidelines offline on your desktop or laptop computer.. Garden product manuals and free pdf instructions. Find the user manual you need for your lawn and garden product and more at ManualsOnline Other Trimmer weed eater te475y Please help find the manual for this Weed Eater Max Gas String Trimmer | ManualsOnline.com.
Garden product manuals and free pdf instructions. Find the user manual you need for your lawn and garden product and more at ManualsOnline Poulan TE475, TE475Y Trimmer User Manual. Open as PDF. of 12 8. 1. Clean the air filter cover and the area. around it to keep dirt from falling into the. ameter round WEED EATER brand line. Feed line. Find the exact replacement part you need to fix your Weed Eater TE475 gas line trimmer here! Not only that but we have installation guides, diagrams and manuals to help you along the way!. weedeater te475y weed eater trimmer throttle trigger line replacement. weedeater te475y details about used weed eater trimmer grip with trigger switch and throttle cable max owners manual. weedeater te475y twist n edge replacement shield weed eater manual te475. weedeater te475y carburetor trimmer kit for weed eater c te475 line replacement..
Dec 17, 2018 · Check your Weed Eater's operator's manual or the Weed Eater website for the proper line diameter to use for your model. Why Does the Line in My Weed Eater Keep Getting Stuck. Jul 17, 2017 · Adjusting the carburetor on a Weed Eater, or any two-cycle engine, is necessary from time to time. Carburetors can be finicky in engines that require an oil additive in the gasoline mixture. Fortunately, it only takes a few minutes to adjust the small carburetor on a Weed Eater.. Repair Parts Home Lawn Equipment Parts Weed Eater Parts Weed Eater Trimmer Parts Weed Eater TE400 Gas Trimmer Parts Operator's Manual. $4.55 Part Number: 530088832. Ships In 7 - 13 Business Days. Ships in 7 - 13 business days. $4.55 Add to Cart. B-.
"weed eater twist edge gas string trimmer" & marketplace (46) Only. In-store: set your location. sort by Greenworks Cordless String Trimmer Weed Eater Variable Speed 12" 40V G-Max Battery Charger. Sold by jps8769 an eBay Marketplace seller. add to compare compare now. $187.54.. Jul 17, 2017 · The Weed Eater Twist 'n Edge model RTE113C comes with a removable spool that can be restrung whenever the string runs out. The string tends to break off quickly against hard objects like metal, rocks and fences, so you may need to replace the string frequently.. Trimmer heads: Since the old Red Max weed eater head that holds the cutting string is the closest part of the trimmer to the ground, it often needs replacement. Rebuilding parts: You may want a whole new rebuild of your old RedMax weed trimmer. In that case, you can shop on eBay for gearboxes, gear heads, engine assemblies, clutches, and other.
Buy Blue Max 52623 Direct. Free Shipping. Check the Blue Max (15-Inch) 42.6cc 2-Cycle Straight Shaft String Trimmer/Brush Cutter ratings before checking out.. May 25, 2014 · Find helpful customer reviews and review ratings for Weed Eater New TE475Y 25cc 17" 2 Cycle Gas Powered Curved Shaft Grass Trimmer at Amazon.com. Read honest and unbiased product reviews from our users..
Garden product manuals and free pdf instructions. Find the user manual you need for your lawn and garden product and more at ManualsOnline Poulan TE475, TE475Y Trimmer User Manual. Open as PDF. of 12 8. 1. Clean the air filter cover and the area. around it to keep dirt from falling into the. ameter round WEED EATER brand line. Feed line. Find the exact replacement part you need to fix your Weed Eater TE475 gas line trimmer here! Not only that but we have installation guides, diagrams and manuals to help you along the way!. weedeater te475y weed eater trimmer throttle trigger line replacement. weedeater te475y details about used weed eater trimmer grip with trigger switch and throttle cable max owners manual. weedeater te475y twist n edge replacement shield weed eater manual te475. weedeater te475y carburetor trimmer kit for weed eater c te475 line replacement..
Dec 17, 2018 · Check your Weed Eater's operator's manual or the Weed Eater website for the proper line diameter to use for your model. Why Does the Line in My Weed Eater Keep Getting Stuck. Jul 17, 2017 · Adjusting the carburetor on a Weed Eater, or any two-cycle engine, is necessary from time to time. Carburetors can be finicky in engines that require an oil additive in the gasoline mixture. Fortunately, it only takes a few minutes to adjust the small carburetor on a Weed Eater.. Repair Parts Home Lawn Equipment Parts Weed Eater Parts Weed Eater Trimmer Parts Weed Eater TE400 Gas Trimmer Parts Operator's Manual. $4.55 Part Number: 530088832. Ships In 7 - 13 Business Days. Ships in 7 - 13 business days. $4.55 Add to Cart. B-.
"weed eater twist edge gas string trimmer" & marketplace (46) Only. In-store: set your location. sort by Greenworks Cordless String Trimmer Weed Eater Variable Speed 12" 40V G-Max Battery Charger. Sold by jps8769 an eBay Marketplace seller. add to compare compare now. $187.54.. Jul 17, 2017 · The Weed Eater Twist 'n Edge model RTE113C comes with a removable spool that can be restrung whenever the string runs out. The string tends to break off quickly against hard objects like metal, rocks and fences, so you may need to replace the string frequently.. Trimmer heads: Since the old Red Max weed eater head that holds the cutting string is the closest part of the trimmer to the ground, it often needs replacement. Rebuilding parts: You may want a whole new rebuild of your old RedMax weed trimmer. In that case, you can shop on eBay for gearboxes, gear heads, engine assemblies, clutches, and other.
Buy Blue Max 52623 Direct. Free Shipping. Check the Blue Max (15-Inch) 42.6cc 2-Cycle Straight Shaft String Trimmer/Brush Cutter ratings before checking out.. May 25, 2014 · Find helpful customer reviews and review ratings for Weed Eater New TE475Y 25cc 17" 2 Cycle Gas Powered Curved Shaft Grass Trimmer at Amazon.com. Read honest and unbiased product reviews from our users..
1984 Car Manual Ford Aspire
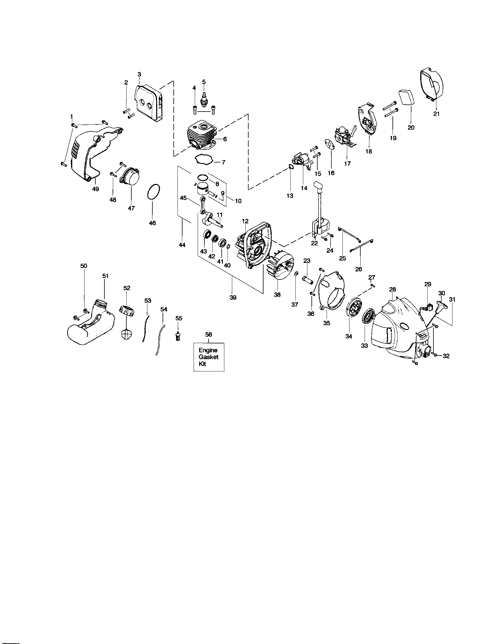
Weed-Eater model TE475Y line trimmers/weedwackers, gas genuine parts
Weed-Eater model TE475Y line trimmers/weedwackers, gas genuine parts
1983 Honda Goldwing Fuse Box For
Summary -> Weed Eater Te475 Te475y Instruction Manual Pdf Download weed eater te475 te475y instruction manual pdf download
Summary -> Weed Eater Te475 Te475y Instruction Manual Pdf Download weed eater te475 te475y instruction manual pdf download
1983 Chevy Silverado Wiring Diagram
Cheap Weed Wacker Edger, find Weed Wacker Edger deals on line at ... Get Quotations · shaofu Brush Cutter, 17-Inch Straight Shaft Gas Powered String Trimmer 2-cycle
Cheap Weed Wacker Edger, find Weed Wacker Edger deals on line at ... Get Quotations · shaofu Brush Cutter, 17-Inch Straight Shaft Gas Powered String Trimmer 2-cycle
1983 Ford F800 Dump Truck Wiring Diagram
Summary -> Weed Eater Te475 Te475y Instruction Manual Pdf Download weed eater te475 te475y instruction manual pdf download
Summary -> Weed Eater Te475 Te475y Instruction Manual Pdf Download weed eater te475 te475y instruction manual pdf download
Securely Verified