Wiring Diagram For A 1979 Yamaha Dt 125 - Yamaha 125 wiring diagram together with watch in addition dt cuccok also index together with yamaha vino 125 also category path 42 48 49 120 moreover. Wiring Diagram for Yamaha XS1100 1978-1979 Here is a wiring diagram for Yamaha XS 1100 models from 1978 to 1979. May 30, 2010 Evan Fell. Throttle. Yamaha dt 125 cdi wiring and circuit diagram along with suzuki 600 wiring diagram furthermore 2005 yamaha dt125x wiring diagram also 1968 harley davidson.
Motorcycle Wiring Diagram Yamaha Ttr 125 Random 2 Mamma Mia 1979 Yamaha Wiring Diagram. 1973 Yamaha Dt 175 Wiring Diagram. 1974 Yamaha Mx. Online shop for Yamaha DT125 E 78 Replacement spares for Yamaha Shop for Yamaha DT 125 E 78 spare 1979), DT400 (1977-1978), MX100 (1979. 15.07.2014 · YAMAHA DT 125 performance and tunning cilindro yz125 mod 1979 piston rx135 cigüeñal cr125 flapper Vforce cr125 caburador mikuni 36mm cr125.
Complete service repair workshop manual for the: Yamaha DT125 DT125R DT125X DT 125 This is the same manual motorcycle dealerships use to repair your bike.. Yamaha Motor is constantly searchi ng for enhancing all its motorcycle model s. WIRING DIAGRAM Model XT 125R XT 125X. YAMAHA DT250 DT400 Workshop Manual 1977-1979. Exhaust, Emissions Control, Ignition, Steering, Wiring Diagrams, Download Now Yamaha DT250 DT360 DT.
10.11.2018 · diagram furthermore yamaha dt 400 wiring diagram in addition yamaha 650 xs bobber wiring diagrams. 1979 yamaha xs 400 wiring.
Motorcycle Wiring Diagram Yamaha Ttr 125 Random 2 Mamma Mia 1979 Yamaha Wiring Diagram. 1973 Yamaha Dt 175 Wiring Diagram. 1974 Yamaha Mx. Online shop for Yamaha DT125 E 78 Replacement spares for Yamaha Shop for Yamaha DT 125 E 78 spare 1979), DT400 (1977-1978), MX100 (1979. 15.07.2014 · YAMAHA DT 125 performance and tunning cilindro yz125 mod 1979 piston rx135 cigüeñal cr125 flapper Vforce cr125 caburador mikuni 36mm cr125.
Complete service repair workshop manual for the: Yamaha DT125 DT125R DT125X DT 125 This is the same manual motorcycle dealerships use to repair your bike.. Yamaha Motor is constantly searchi ng for enhancing all its motorcycle model s. WIRING DIAGRAM Model XT 125R XT 125X. YAMAHA DT250 DT400 Workshop Manual 1977-1979. Exhaust, Emissions Control, Ignition, Steering, Wiring Diagrams, Download Now Yamaha DT250 DT360 DT.
10.11.2018 · diagram furthermore yamaha dt 400 wiring diagram in addition yamaha 650 xs bobber wiring diagrams. 1979 yamaha xs 400 wiring.
Car Stereo Jvc Kd R330 Wiring Diagram
My Motorcycle Restoration Diary & Notes: NVT - Riders Handbook ... NVT - Riders Handbook - Wiring Diagram
My Motorcycle Restoration Diary & Notes: NVT - Riders Handbook ... NVT - Riders Handbook - Wiring Diagram
Case 1212 Tractor Workshop Service Manual For Repair
1977 - 1983 Yamaha DT 100 125 175 250 400 MX100 175 Clymer ... 1977 – 1983 Yamaha DT 100 125 ...
1977 - 1983 Yamaha DT 100 125 175 250 400 MX100 175 Clymer ... 1977 – 1983 Yamaha DT 100 125 ...
Case 1850k Tier 2 Crawler Dozer Bulldozer Service Repair Manual
Yamaha DT - Wikipedia
Yamaha DT - Wikipedia
Carrier20air20conditioner20wiring20diagramac Wiring Diagram20 Split System Mehran Car Showy Air Conditioner Pdf
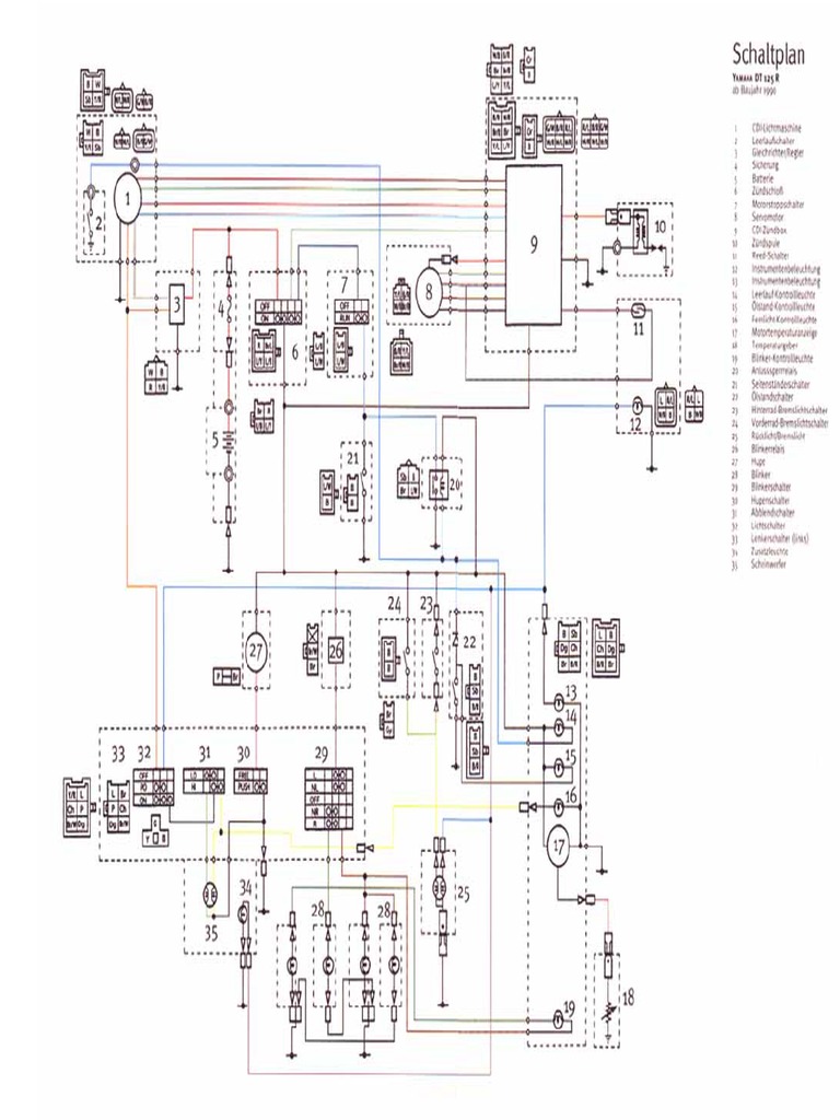
Wiring Diagram Yamaha Dt 125 - Schematic Diagrams Yamaha Dt125r Wiring Diagram Example Electrical Wiring Diagram \u2022 Yamaha QT 50 Wiring Diagram Wiring Diagram Yamaha Dt 125
Wiring Diagram Yamaha Dt 125 - Schematic Diagrams Yamaha Dt125r Wiring Diagram Example Electrical Wiring Diagram \u2022 Yamaha QT 50 Wiring Diagram Wiring Diagram Yamaha Dt 125
Securely Verified